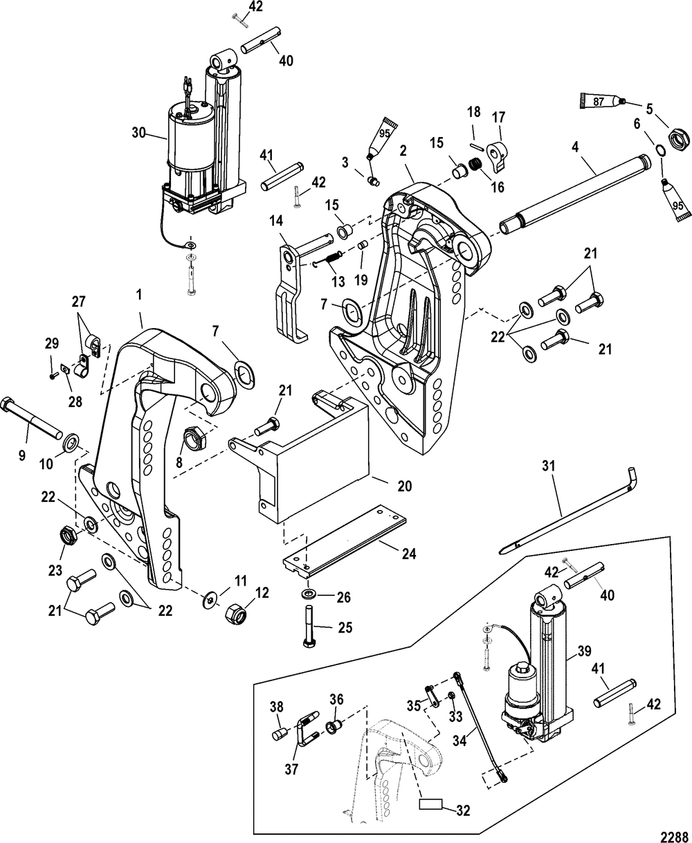
| № | Наименование | Примечание | Кол-во |
|---|---|---|---|
| 1 | ORD3425-8M0045064 (STARBOARD) BLACK | 1 | |
| 2 | ORD3425-8M0045064 (PORT) BLACK | 1 | |
| 3 | FITTING | 1 | |
| 4 | TILT TUBE KIT | 1 | |
| 4 | ORD 826125A 1 | 1 | |
| 5 | ORD 11-826713 27 (Black)(Reference tahos_6 is 1 Inch -14) | 1 | |
| 5 | NUT | 1 | |
| 6 | O RING @5 (5 per pack) | 1 | |
| 7 | WASHER-WAVE @2 (2 per pack) | 2 | |
| 8 | NUT @5 (5 per pack) | 1 | |
| 8 | NUT @2 (2 per pack) | 1 | |
| 9 | SCREW | 4 | |
| 10 | WASHER @10 (10 per pack) | 4 | |
| 11 | WASHER @5 (5 per pack) | 4 | |
| 12 | NUT | 4 | |
| 13 | SPRING | 1 | |
| 14 | LEVER-TILT LOCK | 1 | |
| 15 | NYLINER | 2 | |
| 16 | SPRING | 1 | |
| 17 | KNOB | 1 | |
| 18 | PIN-GROOVE | 1 | |
| 19 | PIN-GROOVED | 1 | |
| 20 | BRACKET-ANCHOR | 1 | |
| 21 | SCREW | 6 | |
| 22 | WASHER @3 (3 per pack) | 6 | |
| 23 | NUT | 1 | |
| 24 | ANODE KIT | 1 | |
| 25 | SCREW @5 (5 per pack) | 2 | |
| 26 | WASHER (10 per pack) | 2 | |
| 27 | CLIP | 2 | |
| 28 | WASHER | 1 | |
| 29 | SCREW | 1 | |
| 30 | POWER TRIM ASSY | 1 | |
| 31 | PIN ASY-TILT | 1 | |
| 32 | DECAL-TILT/LOCK | 1 | |
| 33 | NUT | 1 | |
| 34 | LINK ROD | 1 | |
| 35 | ARM-TILT LEVER | 1 | |
| 36 | BUSHING | 1 | |
| 37 | TILT LEVER | 1 | |
| 38 | KNOB-TILT GAS ASSIST TRIM | 1 | |
| 39 | MANUAL TILT ASSY | 1 | |
| 40 | SHAFT-UPPER TILT | 1 | |
| 41 | PIN-ANCHOR | 1 | |
| 42 | PIN-TRILOBE | 2 |
