| № | Наименование | Примечание | Кол-во |
|---|---|---|---|
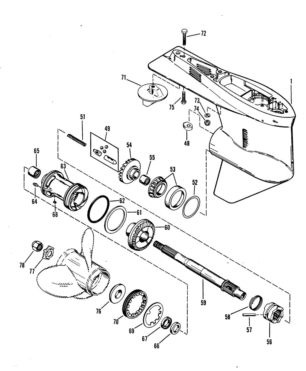
| - | GEAR HOUSING | 1 | |
| - | GEAR HSG | 1 | |
| 1 | GEAR HOUSING | 1 | |
| 1 | GEAR HOUSING UNITED STATES 5180699 AND UP AUSTRALIA 8057045 AND UP | 1 | |
| 48 | CAM-SHIFT @2 (2 per pack) | 1 | |
| 49 | CAM FOLLOWER KIT | 1 | |
| 51 | SPRING | 1 | |
| 52 | SHIM SET | 0 | |
| 53 | BEARING SET | 1 | |
| 54 | GEAR ASSY-FORWARD | 1 | |
| 55 | BEARING | 1 | |
| 56 | CLUTCH | 1 | |
| 57 | PIN @3 (3 per pack) | 1 | |
| 58 | SPRING @2 (2 per pack) | 1 | |
| 59 | PROPSHAFT | 1 | |
| 60 | REVERSE GEAR | 1 | |
| 61 | WASHER-THRUST | 1 | |
| 62 | O RING @5 (5 per pack) | 1 | |
| 63 | CARRIER ASSY | 1 | |
| 64 | FITTING | 2 | |
| 65 | BEARING | 1 | |
| 66 | SEAL @5 (5 per pack) | 1 | |
| 67 | SEAL | 1 | |
| 68 | KEY @5 (5 per pack) | 1 | |
| 69 | WASHER-TAB @2 (2 per pack) | 1 | |
| 70 | NUT-BRG CARRIER | 1 | |
| 71 | ANODE/TRIM TAB | 1 | |
| 72 | SCREW @2 (2 per pack) | 1 | |
| 73 | WASHER @5 (5 per pack) | 2 | |
| 74 | NUT @10 (10 per pack) | 2 | |
| 75 | SCREW @3 THESE REPLACEMENT PARTS ARE NOT INCLUDED WITH COMPLETE GEAR HOUSING REPLACEMENT (3 per pack) | 1 | |
| 76 | THRUSTWASHER@2 (2 per pack) | 1 | |
| 77 | TAB WASHER @2 (2 per pack) | 1 | |
| 78 | PROP NUT KIT@2 THESE PARTS ARE NOT INCLUDED WITH REPLACEMENT GEAR HOUSING (2 per pack) | 1 |
