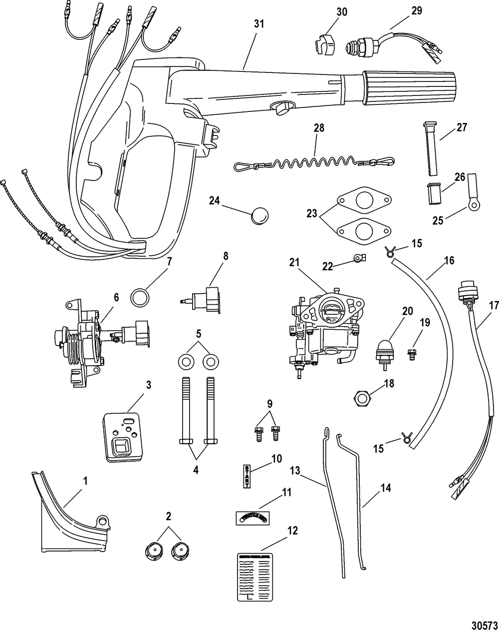
| № | Наименование | Примечание | Кол-во |
|---|---|---|---|
| - | ORD 8M0103837 9.9 FourStroke | 1 | |
| 1 | COVER SNtahos_ 0R192771 & Below | 1 | |
| 2 | CAP NUT | 2 | |
| 3 | GROMMET | 1 | |
| 4 | BOLT | 2 | |
| 5 | WASHER | 2 | |
| 7 | SEAL RING | 1 | |
| 8 | SHIFT DETENT | 1 | |
| 9 | SCREW | 2 | |
| 10 | DECAL START | 1 | |
| 11 | DECAL-THROTLLE | 1 | |
| 13 | THROTTLE ROD | 1 | |
| 14 | LINK ROD | 1 | |
| 15 | CLIP | 2 | |
| 16 | ORD 32-879194473 Handle Models/Manual Remote Control | 1 | |
| 17 | START BUTTON | 1 | |
| 18 | NUT Handle Models/Manual Remote Control | 1 | |
| 19 | BOLT | 1 | |
| 20 | PUMP-PRIMING Handle Models | 1 | |
| 21 | CARBURETOR | 1 | |
| 22 | ROD SNAP | 1 | |
| 23 | GASKET @2 (2 per pack) | 2 | |
| 24 | GROMMET | 1 | |
| 25 | CLAMP | 1 | |
| 26 | BUSHING | 1 | |
| 27 | CHOKE KNOB | 1 | |
| 28 | ORDER 8M0092850 | 1 | |
| 29 | SWITCH-NEUTRAL | 1 | |
| 30 | ACTUATOR | 1 |
