| № | Наименование | Примечание | Кол-во |
|---|---|---|---|
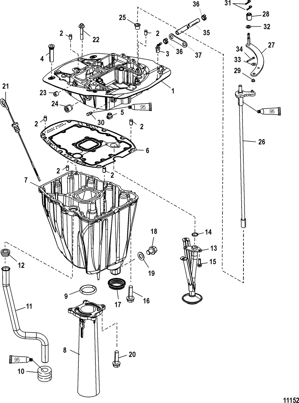
| 1 | ADAPTOR PLATE KIT | 1 | |
| 2 | PIN-DOWEL | 6 | |
| 3 | FITTING | 1 | |
| 4 | CHECK VALVE ASSY | 2 | |
| 5 | GROMMET SNtahos_ 0G359968 & Up | 1 | |
| 6 | GASKET | 1 | |
| 7 | SUMP-OIL | 1 | |
| 8 | EXHAUST TUBE KIT | 1 | |
| 9 | O RING | 1 | |
| 10 | GROMMET | 1 | |
| 11 | TUBE-WATER (LONG) | 1 | |
| 11 | TUBE-WATER (X-LONG) | 1 | |
| 12 | SEAL | 1 | |
| 13 | TUBE-OIL PICKUP | 1 | |
| 14 | O RING | 1 | |
| 15 | SCREW @4 (4 per pack) | 4 | |
| 16 | SCREW | 12 | |
| 17 | SEAL | 1 | |
| 18 | PLUG-DRAIN | 1 | |
| 19 | GASKET | 1 | |
| 20 | SCREW | 4 | |
| 21 | DIPSTICK | 1 | |
| 22 | SCREW @2 (2 per pack) | 4 | |
| 23 | PLUG-PIPE | 1 | |
| 24 | PLUG-PIPE @5 (5 per pack) | 1 | |
| 25 | BUSHING | 1 | |
| 26 | SHAFT ASSY-SHIFT | 1 | |
| 27 | LINK-SHIFT | 1 | |
| 28 | ROLLER | 1 | |
| 29 | BUSHING @2 (2 per pack) | 1 | |
| 30 | DETENT ASSY-SHIFT | 1 | |
| 31 | PIN-COTTER @2 (2 per pack) | 2 | |
| 32 | WASHER @2 (2 per pack) | 1 | |
| 33 | WASHER | 1 | |
| 34 | PIN-COTTER @5 (5 per pack) | 1 | |
| 35 | HOSE | 1 | |
| 36 | TIE STRAP @100 (100 per pack) | 2 | |
| 37 | STRAP | 1 |
