| № | Наименование | Примечание | Кол-во |
|---|---|---|---|
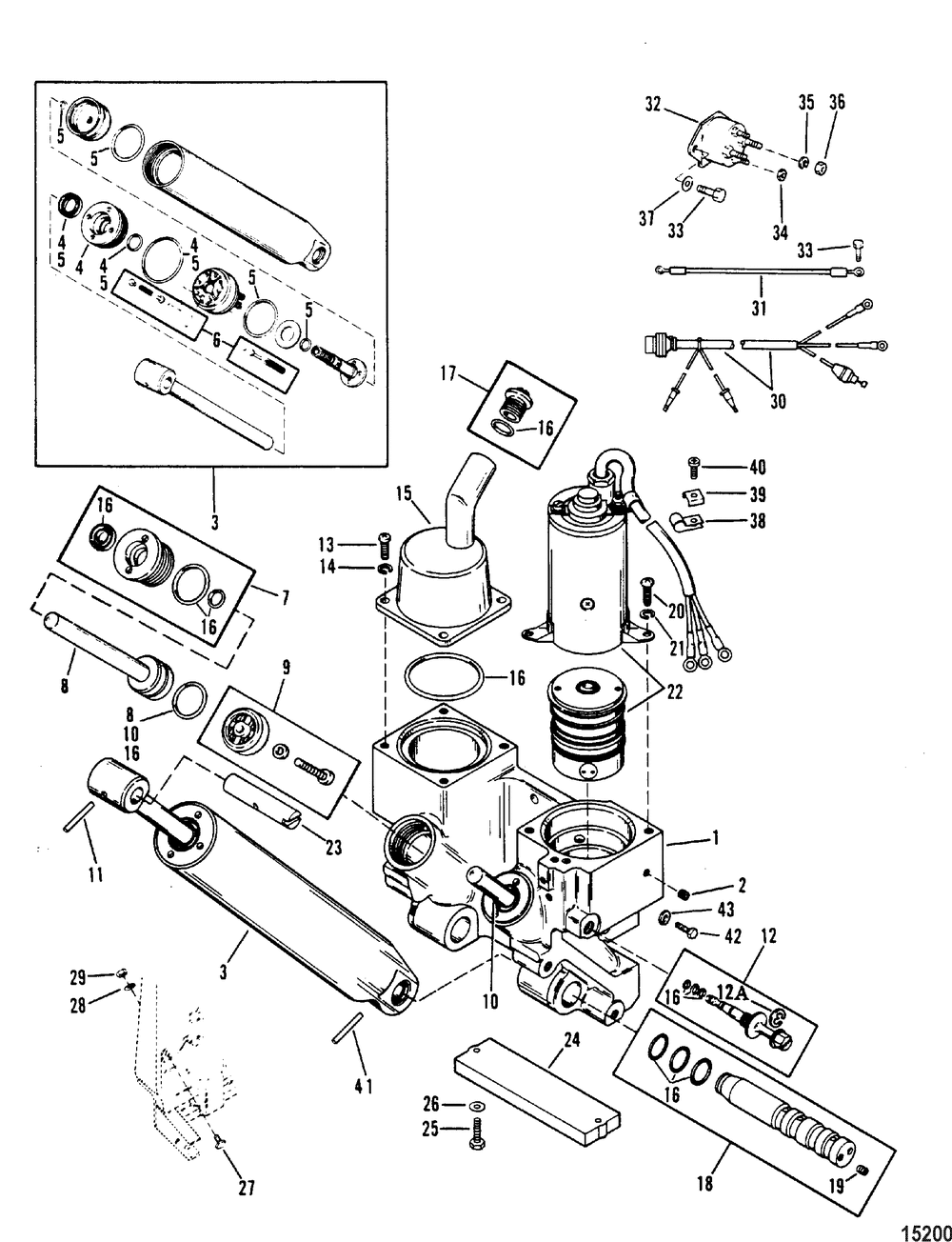
| 1 | MANIFOLD ASSY | 1 | |
| 1 | MANIFOLD ASSY | 1 | |
| 1 | MANIFOLD ASSY | 1 | |
| 2 | PLUG-PIPE | 11 | |
| 3 | TILT CYLINDER ASY | 1 | |
| 3 | TILT CYLINDER ASY | 1 | |
| 3 | TILT CYLINDER ASY | 1 | |
| 4 | GUIDE KIT | 1 | |
| 5 | REPAIR KIT | 1 | |
| 6 | CHECK VALVE ASSY | 1 | |
| 7 | END CAP ASSY | 2 | |
| 8 | TRIM ROD KIT-PORT | 1 | |
| 9 | FILTER ASSY | 1 | |
| 10 | TRIM ROD KIT-STBD | 1 | |
| 11 | PIN-TRILOBE (NON-POWER TRIM) | 1 | |
| 12 | VALVE KIT-RELIEF | 1 | |
| 12A | E-RING | 1 | |
| 13 | SCREW | 4 | |
| 14 | WASHER @4 (4 per pack) | 4 | |
| 15 | COVER | 1 | |
| 16 | O RING KIT | 1 | |
| 17 | PLUG | 1 | |
| 18 | ORD 99641A02 | 1 | |
| 20 | SCREW | 2 | |
| 21 | LOCKWASHER @5 (5 per pack) | 2 | |
| 22 | POWER TRIM KIT | 1 | |
| 23 | SHAFT-UPPER TILT | 1 | |
| 24 | ANODE KIT | 1 | |
| 25 | SCREW | 2 | |
| 26 | WASHER (10 per pack) | 2 | |
| 27 | STRIKER PLATE | 2 | |
| 28 | LOCKWASHER | 2 | |
| 29 | NUT | 2 | |
| 30 | CABLE ASSY | 1 | |
| 31 | CABLE ASSY SNtahos_ 0G201874 & Below | 2 | |
| 31 | WIRE ASSY SNtahos_ 0G201874 & Below | 1 | |
| 32 | SOLENOID | 2 | |
| 33 | SCREW | 2 | |
| 34 | NUT @5 (5 per pack) | 4 | |
| 35 | LOCKWASHER @5 (5 per pack) | 4 | |
| 36 | NUT @3 (3 per pack) | 4 | |
| 37 | WASHER @5 (5 per pack) | 2 | |
| 38 | CLIP @2 (2 per pack) | 2 | |
| 39 | WASHER | 2 | |
| 40 | SCREW | 2 | |
| 41 | PIN-GROOVE | 1 | |
| 42 | SCREW | 6 | |
| 43 | LOCKWASHER | 6 |
