| № | Наименование | Примечание | Кол-во |
|---|---|---|---|
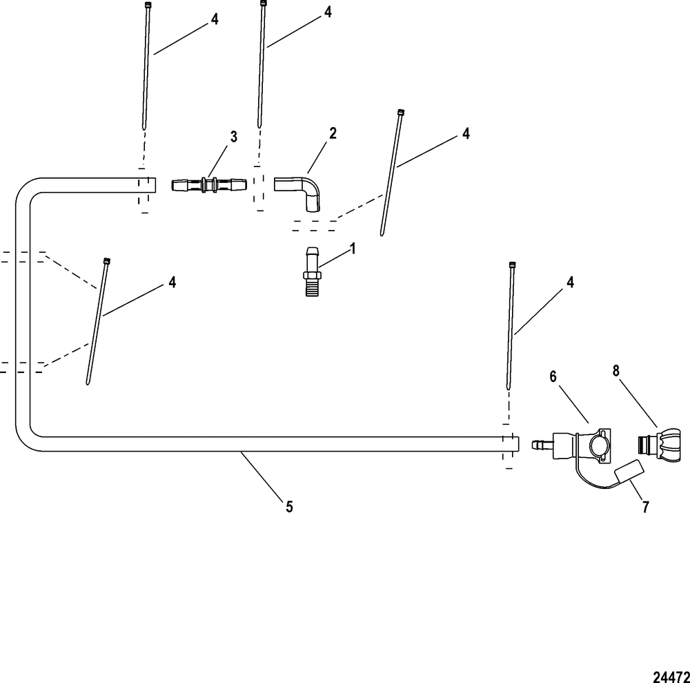
| - | FLUSH KIT-COASTAL Fits 75-115 Hp EFI FourStroke outboard engines. Serial No.1B366823 and above. | 1 | |
| 1 | FITTING | 1 | |
| 2 | HOSE | 1 | |
| 3 | CONNECTOR | 1 | |
| 4 | TIE STRAP @100 (100 per pack) | 7 | |
| 5 | HOSE-70 INCH | 1 | |
| 6 | COUPLING (Coastal/Saltwater) | 1 | |
| 7 | CAP (Coastal/Saltwater) | 1 | |
| 8 | COUPLING (Coastal/Saltwater) | 1 |
