| № | Наименование | Примечание | Кол-во |
|---|---|---|---|
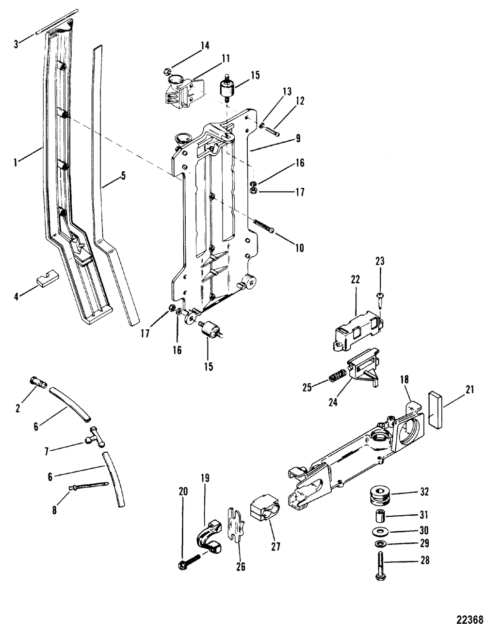
| 1 | BRACKET ASSY | 1 | |
| 1 | BRACKET ASSY | 1 | |
| 2 | FITTING | 1 | |
| 3 | SEAL | 1 | |
| 4 | SEAL | 1 | |
| 5 | SEAL | 2 | |
| 6 | HOSE-57 INCH | 2 | |
| 7 | TEE FITTING | 1 | |
| 8 | TIE STRAP @100 (100 per pack) | 0 | |
| 9 | BRACKET ASSY | 1 | |
| 10 | SCREW @3 (3 per pack) | 4 | |
| 11 | HOUSING | 2 | |
| 11 | HOUSING | 2 | |
| 12 | SCREW | 8 | |
| 13 | WASHER @5 (5 per pack) | 8 | |
| 14 | NUT @5 (5 per pack) | 8 | |
| 15 | MOUNT | 3 | |
| 16 | WASHER (10 per pack) | 6 | |
| 18 | BRACKET | 1 | |
| 19 | RETAINER (POWER TRIM) | 1 | |
| 20 | SCREW | 2 | |
| 21 | SEAL | 1 | |
| 22 | HOUSING | 1 | |
| 23 | SCREW | 2 | |
| 24 | LEVER | 1 | |
| 25 | SPRING | 1 | |
| 26 | PLATE | 1 | |
| 27 | RETAINER | 1 | |
| 28 | SCREW @5 (5 per pack) | 2 | |
| 29 | WASHER | 4 | |
| 30 | WASHER | 4 | |
| 31 | BUSHING | 2 | |
| 32 | GROMMET | 2 |
