| № | Наименование | Примечание | Кол-во |
|---|---|---|---|
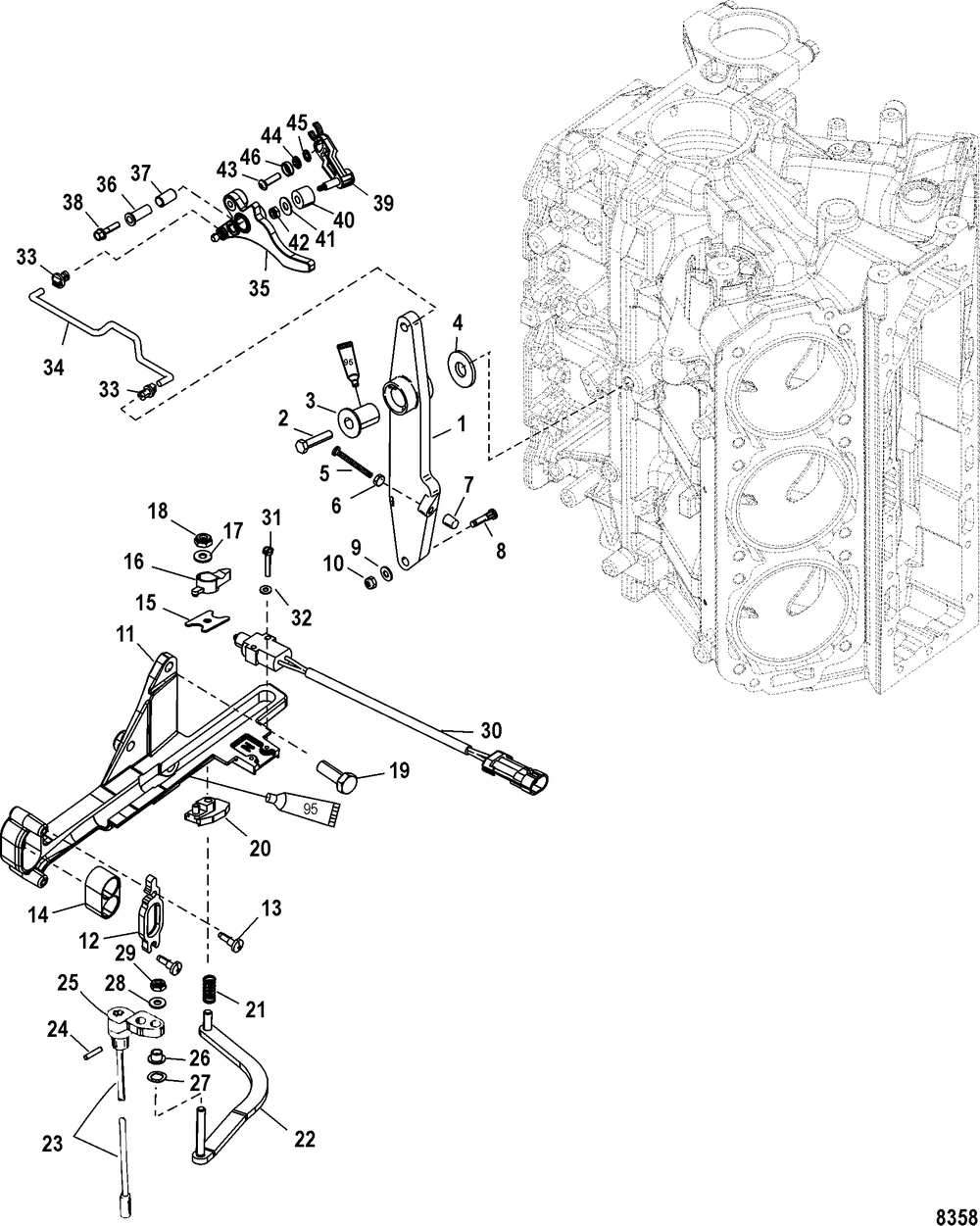
| 1 | LEVER | 1 | |
| 2 | SCREW | 1 | |
| 3 | BUSHING | 1 | |
| 4 | SPACER | 1 | |
| 5 | SCREW | 1 | |
| 6 | NUT @3 (3 per pack) | 1 | |
| 7 | CAP | 1 | |
| 8 | INSERT | 1 | |
| 9 | WASHER | 1 | |
| 10 | NUT @5 (5 per pack) | 1 | |
| 11 | BRACKET-ANCHOR | 1 | |
| 12 | LATCH | 1 | |
| 13 | SCREW-DRIVE | 2 | |
| 14 | CUP | 1 | |
| 15 | PLATE | 1 | |
| 16 | LATCH | 1 | |
| 17 | WASHER @2 (2 per pack) | 1 | |
| 18 | NUT @5 (5 per pack) | 1 | |
| 19 | SCREW @5 (5 per pack) | 3 | |
| 20 | GUIDE BLOCK | 1 | |
| 21 | SPRING @5 (5 per pack) | 1 | |
| 22 | LINK ASSY | 1 | |
| 23 | SHAFT-SHIFT-XLONG | 1 | |
| 23 | SHAFT-SHIFT-LONG | 1 | |
| 26 | BUSHING | 1 | |
| 27 | WASHER-WAVE @5 (5 per pack) | 1 | |
| 30 | SWITCH | 1 | |
| 31 | SCREW XR6/175/MAGNUM III/TRACKER | 2 | |
| 32 | WASHER @5 (5 per pack) | 2 | |
| 33 | BUSHING | 2 | |
| 34 | ROD-THROTTLE | 1 | |
| 35 | CAM-THROTTLE (135/150) | 1 | |
| 36 | BUSHING | 1 | |
| 37 | BEARING | 1 | |
| 38 | SCREW | 1 | |
| 39 | LEVER/ROLLER KIT | 1 | |
| 40 | ROLLER | 1 | |
| 41 | WASHER @5 (5 per pack) | 1 | |
| 42 | NUT | 1 | |
| 43 | SCREW | 1 | |
| 44 | ORD 8M0095734 | 1 | |
| 45 | LOCKWASHER @5 (5 per pack) | 1 | |
| 46 | WASHER | 1 |
