Оригинальные каталоги
Масла и жидкости
Масла моторные
Масла трансмиссионные
Жидкости гидравлические
Жидкости охлаждающие
Жидкости тормозные
Масла гидравлические
Масла для вилок и амортизаторов
Масла компрессорные
Жидкости для стекол
Масла для цепей бензопил
Масла индустриальные
Масла промывочные
Раствор мочевины AdBlue
Автоэлектроника
Видеорегистраторы
Пылесосы автомобильные
FM трансмиттеры
Зарядные устройства
Разветвители, удлинители прикуривателя
Кабели
Вентиляторы автомобильные
Штекер прикуривателя
Датчик парктроника
Камеры заднего вида
Мониторы парковочные
Парктроники
Термометры
Накидки на сиденье с подогревом
Автохолодильники
Антирадары
Диагностический сканер
Аксессуары
Набор автомобилиста
Ароматизаторы
Тросы буксировочные
Канистры
Ремни крепления груза
Стяжки-резинки крепления
Сетки для крепления груза
Скотч
Влажные салфетки
Держатели телефонов, планшетов
Карты памяти
Наушники
Аккумулятор холода
Термосумки и контейнеры
Фонарики
Батарейки
Оплетки на руль
Огнетушители
Салфетки, полотенца, варежки
Инструмент
Домкраты
Компрессоры
Манометры
Насосы
Светильники переносные
Шарнирно-губцевый инструмент
Ударный инструмент
Метчики. Плашки
Заклёпочники
Заклёпки
Измерительный инструмент
Свёрла
Отвёртки
Изолента
Надфили. Напильники
Ножи, ножовки
Щётки
Абразивная бумага
Специнструмент
Ключи
Хомуты
Дрель-шуруповерт
Автохимия
Присадки
Промывки
Очистители
Смазки спрей
Смазки пластичные
Герметики
Средство для рук
Клей
Лакокрасочные материалы
Автошампуни
Полироли
Антифриз для тормозной системы
Масло для пропитки фильтров
Антикоррозионные составы
Прочее
Электрооборудование
Зарядные устройства
Инверторы
Конвертеры
Звуковые сигналы
Провода прикуривания
Предохранители
Противотуманные фары
Дневные ходовые огни
Электрика фаркопа
Шины и диски
Автошины
Грузовые шины
Мотошины
Камеры
Мотокамеры
Лента обода шины
Колпаки
Диски
Одежда и экипировка
Жилеты
Запчасти
Аккумуляторы
Лампы
Щетки стеклоочистителя
Гофры глушителя
Велотовары
Велосипеды
Самокаты
Велокамеры
Искать по VIN или номеру детали
Поиск по штрих-коду
Искать по VIN-номеру
Войти
Авторизация
Логин
Пароль
Напомнить пароль
Запомнить
Войти
Зарегистрироваться
Авторизоваться другим способом
Востановить пароль
Введите ваш email:
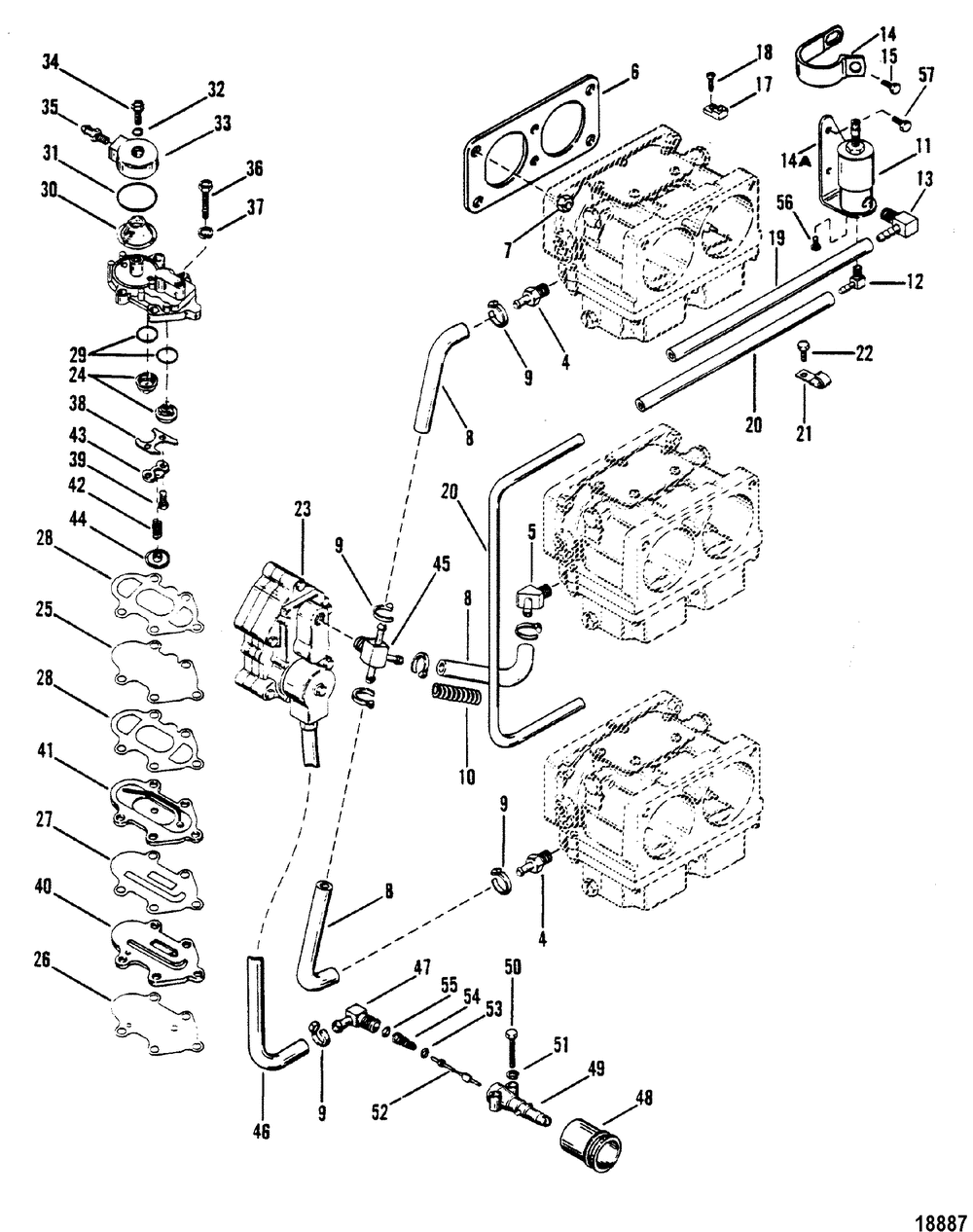
Fuel Pump and Carburetor
Корзина пуста
Mariner
V-1500 5600162 THRU 0A904645
V-1500 5600162 THRU 0A904645
Fuel Pump and Carburetor
№
Наименование
Примечание
Кол-во
-
GASKET SET SNtahos_ 5866777 THRU 6042945
1
-
GASKET SET
1
1
CARBURETOR (WH-9)
3
1
CARBURETOR (TOP)(WH-12)
1
1
CARBURETOR (TOP)(WH-29)
1
2
CARBURETOR (CENTER)(WH-12)
1
2
CARBURETOR (CENTER)(WH-29)
1
3
CARBURETOR (BOTTOM)(WH-12)
1
3
CARBURETOR (BOTTOM)(WH-29)
1
4
FITTING
2
5
FITTING
1
6
GASKET @5 (5 per pack)
3
6
GASKET
3
7
NUT @5 (5 per pack)
12
8
HOSE-57 INCH
3
9
CLAMP @5 (5 per pack)
3
10
SPRING
1
11
SOLENOID KIT
1
12
CONNECTOR UNITED STATES 6050771 AND UP CANADA 7191308 AND UP
1
13
FITTING SNtahos_ ME-6443212/MA-6443818 THRU 6616990
1
13
CONNECTOR SNtahos_ ME-6042946/MA-6038681 THRU ME-6443212/MA-6443817
1
13
CONNECTOR UNITED STATES 6050771 AND UP CANADA 7191308 AND UP
1
14
CLIP SNtahos_ 6616991 & Up
1
14A
BRACKET UNITED STATES 6050771 AND UP CANADA 7191308 AND UP
1
15
SCREW STATOR ATTACHES WITH 4 STANDARD SCREWS & USE WITH REF.tahos_13
1
17
BLOCK-TERMINAL
1
18
SCREW
2
19
TUBING-20 FEET SNtahos_ USA-0G301750/BEL-9885504 & Below
1
19
HOSE-27 INCH
1
20
TUBING-36 INCH (Cut to 11-1/2 ) (USE WITH NYLON FITTING)
2
21
J CLIP Manual
1
22
SCREW
1
23
FUEL PUMP ASSY
1
24
VALVE KIT-CHECK
1
25
DIAPHRAGM @2 (2 per pack)
1
30
SCREEN @3 (3 per pack)
1
31
O RING @5 (5 per pack)
1
33
FILTER ASSY
1
34
SCREW @2 (2 per pack)
1
35
FITTING
1
35
FITTING
1
35
FITTING SNtahos_ 5866776 & Below
1
36
SCREW @5 (5 per pack)
5
37
LOCKWASHER @15 (15 per pack)
5
38
RETAINER
1
39
SCREW
2
40
BASE
1
41
PLATE
1
41
CHAMBER SNtahos_ ME-5432021 & Below
1
42
SPRING
1
43
RETAINER
1
44
CAP
1
45
FITTING
1
46
HOSE ASY-FUEL-8FT SNtahos_ 5866776 & Below
1
47
FITTING
1
48
BOOT
1
49
ADAPTER IDENTIFIED BY 30186 CASTING ON REF. tahos_28
1
49
FUEL CONNECT@3 (3 per pack)
1
50
SCREW
1
50
SCREW (1/4-28)
1
51
LOCKWASHER @5 (5 per pack)
1
52
ORD 30185Q 3
1
53
O RING @2 (2 per pack)
1
54
SPRING @5 (5 per pack)
1
55
WASHER-CUP @3 (3 per pack)
1
56
SCREW UNITED STATES 6050771 AND UP CANADA 7191308 AND UP
2
57
SCREW
1
57
SCREW @5 (5 per pack)
1