| № | Наименование | Примечание | Кол-во |
|---|---|---|---|
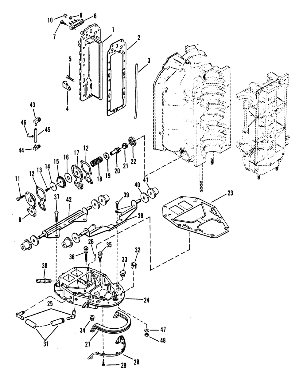
| 1 | DIVIDER PLATE | 1 | |
| 2 | GASKET | 1 | |
| 3 | SEAL | 1 | |
| 4 | CLAMP | 4 | |
| 5 | SCREW @5 (5 per pack) | 3 | |
| 5 | SCREW @16 (16 per pack) | 17 | |
| 6 | TERMINAL BLOCK OLD DESIGN | 1 | |
| 7 | SCREW | 2 | |
| 8 | COVER | 1 | |
| 9 | NUT @10 (10 per pack) | 3 | |
| 10 | CAPNUT | 3 | |
| 11 | SCREW @5 (5 per pack) | 4 | |
| 12 | GASKET @2 (2 per pack) | 2 | |
| 13 | SCREW | 1 | |
| 14 | WASHER @2 (2 per pack) | 1 | |
| 15 | DIAPHRAGM | 1 | |
| 16 | DEFLECTOR | 1 | |
| 17 | PLATE KIT | 1 | |
| 18 | SPRING | 1 | |
| 19 | WASHER | 1 | |
| 20 | POPPET | 1 | |
| 21 | GROMMET @2 (2 per pack) | 1 | |
| 22 | CARRIER | 1 | |
| 23 | GASKET | 1 | |
| 24 | EXH EXT. PLATE | 1 | |
| 25 | FITTING SNtahos_ 0G129222 & Up | 2 | |
| 26 | PIN-DOWEL-SOLID | 2 | |
| 27 | SEAL | 1 | |
| 28 | BRACKET | 1 | |
| 29 | SCREW | 6 | |
| 30 | CONNECTOR @2 (2 per pack) | 1 | |
| 31 | HOSE-48 INCH | 1 | |
| 32 | BUSHING | 1 | |
| 33 | GROMMET (NON POWER TRIM) | 1 | |
| 34 | GROMMET | 1 | |
| 35 | SCREW @5 (5 per pack) | 1 | |
| 36 | SCREW @3 (3 per pack) | 1 | |
| 37 | SCREW | 3 | |
| 38 | BRACKET-FRONT | 1 | |
| 39 | SCREW | 4 | |
| 40 | WASHER | 4 | |
| 41 | GROMMET | 4 | |
| 42 | BRACKET-REAR | 1 | |
| 43 | FITTING | 1 | |
| 44 | FITTING | 1 | |
| 45 | HOSE-57 INCH | 1 | |
| 46 | TIE STRAP @100 (100 per pack) | 2 | |
| 47 | WASHER @5 (5 per pack) | 6 | |
| 48 | NUT @5 (5 per pack) | 6 |
