Оригинальные каталоги
Масла и жидкости
Масла моторные
Масла трансмиссионные
Жидкости гидравлические
Жидкости охлаждающие
Жидкости тормозные
Масла гидравлические
Масла для вилок и амортизаторов
Масла компрессорные
Жидкости для стекол
Масла для цепей бензопил
Масла индустриальные
Масла промывочные
Раствор мочевины AdBlue
Автоэлектроника
Видеорегистраторы
Пылесосы автомобильные
FM трансмиттеры
Зарядные устройства
Разветвители, удлинители прикуривателя
Кабели
Вентиляторы автомобильные
Штекер прикуривателя
Датчик парктроника
Камеры заднего вида
Мониторы парковочные
Парктроники
Термометры
Накидки на сиденье с подогревом
Автохолодильники
Антирадары
Диагностический сканер
Аксессуары
Набор автомобилиста
Ароматизаторы
Тросы буксировочные
Канистры
Ремни крепления груза
Стяжки-резинки крепления
Сетки для крепления груза
Скотч
Влажные салфетки
Держатели телефонов, планшетов
Карты памяти
Наушники
Аккумулятор холода
Термосумки и контейнеры
Фонарики
Батарейки
Оплетки на руль
Огнетушители
Салфетки, полотенца, варежки
Инструмент
Домкраты
Компрессоры
Манометры
Насосы
Светильники переносные
Шарнирно-губцевый инструмент
Ударный инструмент
Метчики. Плашки
Заклёпочники
Заклёпки
Измерительный инструмент
Свёрла
Отвёртки
Изолента
Надфили. Напильники
Ножи, ножовки
Щётки
Абразивная бумага
Специнструмент
Ключи
Хомуты
Дрель-шуруповерт
Автохимия
Присадки
Промывки
Очистители
Смазки спрей
Смазки пластичные
Герметики
Средство для рук
Клей
Лакокрасочные материалы
Автошампуни
Полироли
Антифриз для тормозной системы
Масло для пропитки фильтров
Антикоррозионные составы
Прочее
Электрооборудование
Зарядные устройства
Инверторы
Конвертеры
Звуковые сигналы
Провода прикуривания
Предохранители
Противотуманные фары
Дневные ходовые огни
Электрика фаркопа
Шины и диски
Автошины
Грузовые шины
Мотошины
Камеры
Мотокамеры
Лента обода шины
Колпаки
Диски
Одежда и экипировка
Жилеты
Запчасти
Аккумуляторы
Лампы
Щетки стеклоочистителя
Гофры глушителя
Велотовары
Велосипеды
Самокаты
Велокамеры
Искать по VIN или номеру детали
Поиск по штрих-коду
Искать по VIN-номеру
Войти
Авторизация
Логин
Пароль
Напомнить пароль
Запомнить
Войти
Зарегистрироваться
Авторизоваться другим способом
Востановить пароль
Введите ваш email:
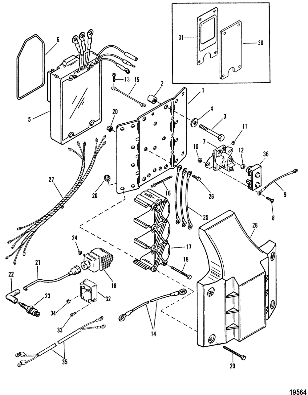
Ignition Coil / Voltage Regulator
Корзина пуста
Mariner
V-175 0C239553 THRU 0D081999
V-175 0C239553 THRU 0D081999
Ignition Coil / Voltage Regulator
№
Наименование
Примечание
Кол-во
1
PLATE-COIL MOUNT
1
2
BUSHING
4
2
BUSHING (NEW DESIGN)
4
3
SCREW @5 (5 per pack)
4
3
SCREW STATOR ATTACHES WITH 4 STANDARD SCREWS & USE WITH REF.tahos_13
4
3
SCREW @5 (5 per pack)
4
3
SCREW (NEW DESIGN)
4
4
LOCKWASHER @5 (5 per pack)
4
5
REGULATOR ASSY
1
6
SEAL STATOR ATTACHES WITH 4 STANDARD SCREWS & USE WITH REF.tahos_13
1
7
SOLENOID
2
7
SOLENOID
2
8
SCREW @5 (Use with Reference 25) (5 per pack)
3
9
WIRE ASSY
1
10
NUT @2 (2 per pack)
3
11
NUT @5 (5 per pack)
4
12
NUT
4
13
SCREW @2 (2 per pack)
2
14
CABLE ASSY
2
15
CABLE ASSY
1
16
TIE STRAP @100 (100 per pack)
0
17
COVER-COIL
2
18
COIL KIT
6
19
SCREW
12
20
NUT
14
21
CABLE SET-IGN
1
22
BOOT KIT-BLK@10 (10 per pack)
6
23
NGK BU8H @10 (See Service Bulletin 91-36) (10 per pack)
6
24
NUT @10 (10 per pack)
12
25
WIRE ASSY SNtahos_ 0G201874 & Below
6
26
SCREW
2
27
HARNESS ASSY
1
27
HARNESS ASSY
1
28
COVER
1
29
SCREW
4
30
COVER
1
31
GASKET
1
32
VOLTAGE REGULATOR
1
35
HARNESS ASSY
1
36
INSULATOR SNtahos_ 0G201874 & Below
2