| № | Наименование | Примечание | Кол-во |
|---|---|---|---|
| - | ORD 813043R97 (200) | 1 | |
| - | ORD 812817R97 (175) | 1 | |
| - | ORD 823434R97 (XR6/Magnum III) | 1 | |
| - | ORD 812815R97 (135/150) | 1 | |
| - | GASKET SET | 1 | |
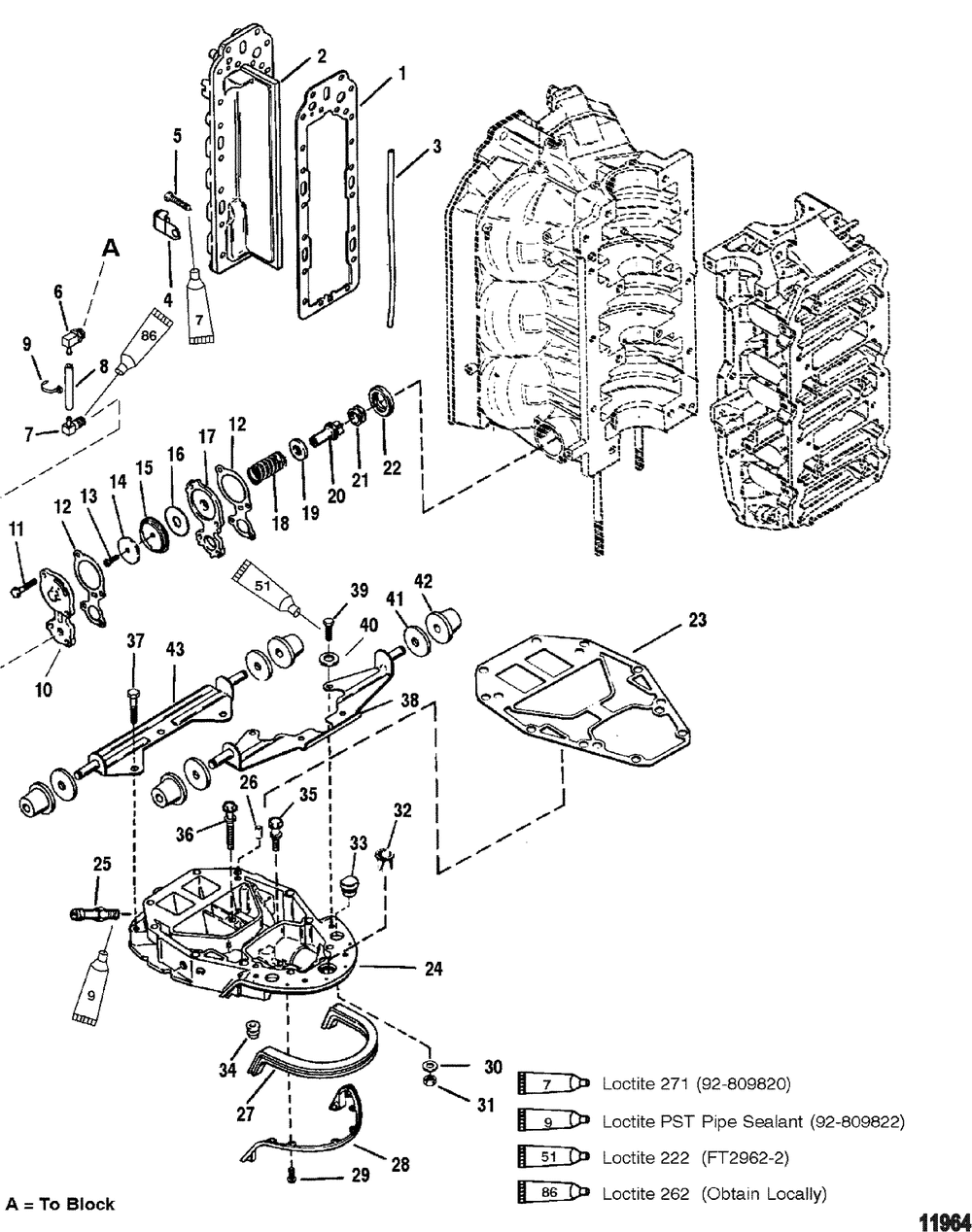
| 1 | GASKET | 1 | |
| 2 | PLATE KIT-DIVIDER | 1 | |
| 3 | SEAL | 1 | |
| 4 | CLAMP | 4 | |
| 5 | SCREW W/WASHER | 20 | |
| 6 | FITTING | 1 | |
| 7 | FITTING | 1 | |
| 8 | HOSE-57 INCH | 1 | |
| 9 | TIE STRAP @100 (100 per pack) | 2 | |
| 10 | COVER | 1 | |
| 11 | SCREW @5 (5 per pack) | 4 | |
| 12 | GASKET @2 (2 per pack) | 2 | |
| 13 | SCREW | 1 | |
| 14 | WASHER @2 (2 per pack) | 1 | |
| 15 | DIAPHRAGM | 1 | |
| 16 | DEFLECTOR | 1 | |
| 17 | PLATE KIT | 1 | |
| 18 | SPRING | 1 | |
| 19 | WASHER | 1 | |
| 20 | POPPET | 1 | |
| 21 | GROMMET @2 (2 per pack) | 1 | |
| 22 | CARRIER | 1 | |
| 23 | GASKET | 1 | |
| 24 | EXHAUST PLATE ASY | 1 | |
| 25 | CONNECTOR @2 (2 per pack) | 1 | |
| 26 | PIN-DOWEL-SOLID | 2 | |
| 27 | SEAL | 1 | |
| 28 | BRACKET | 1 | |
| 29 | SCREW | 8 | |
| 30 | WASHER @5 (5 per pack) | 6 | |
| 31 | NUT @5 (5 per pack) | 6 | |
| 32 | BUSHING | 1 | |
| 33 | GROMMET (NON POWER TRIM) | 1 | |
| 34 | GROMMET SNtahos_ 0G359968 & Up | 1 | |
| 35 | SCREW @5 (5 per pack) | 1 | |
| 36 | SCREW @3 (3 per pack) | 1 | |
| 37 | SCREW | 3 | |
| 38 | BRACKET-FRONT | 1 | |
| 39 | SCREW | 4 | |
| 39 | SCREW | 4 | |
| 40 | WASHER | 4 | |
| 41 | WASHER | 4 | |
| 42 | GROMMET | 4 | |
| 43 | BRACKET-REAR | 1 |
