| № | Наименование | Примечание | Кол-во |
|---|---|---|---|
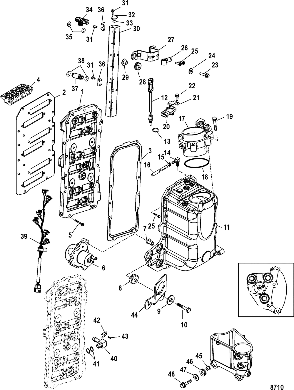
| - | AIR HANDLER | 1 | |
| - | GASKET SET | 1 | |
| - | PH 175 EFI 2.5L (175/200) | 1 | |
| - | PH 150-200EFI 2.5 (150) | 1 | |
| 1 | ADAPTOR PLATE KIT | 1 | |
| 2 | GASKET | 1 | |
| 3 | GASKET | 1 | |
| 4 | REED BLOCK ASSY | 6 | |
| 5 | SCREW @2 (2 per pack) | 12 | |
| 6 | PUMP ASSY-OIL | 1 | |
| 7 | BUSHING | 3 | |
| 8 | GROMMET | 3 | |
| 9 | WASHER | 3 | |
| 10 | SCREW | 3 | |
| 11 | AIR PLENUM KIT | 1 | |
| 12 | SENSOR ASSY-TEMP | 1 | |
| 13 | O-RING | 1 | |
| 14 | FITTING | 1 | |
| 15 | TIE STRAP @5 (5 per pack) | 2 | |
| 16 | HOSE-40 INCH | 1 | |
| 17 | THROTTLE BODY | 1 | |
| 18 | O RING | 1 | |
| 19 | SCREW | 4 | |
| 20 | SENSOR (MAP) | 1 | |
| 21 | BRACKET | 1 | |
| 22 | SCREW | 1 | |
| 23 | SCREW | 4 | |
| 24 | WASHER @5 (5 per pack) | 4 | |
| 25 | SCREW | 6 | |
| 26 | CLAMP | 2 | |
| 27 | BRACKET | 2 | |
| 28 | GROMMET | 4 | |
| 29 | BUSHING | 4 | |
| 30 | FUEL RAIL | 1 | |
| 31 | SCREW | 11 | |
| 32 | PLATE KIT | 2 | |
| 33 | O RING | 2 | |
| 34 | INJECTOR | 6 | |
| 36 | RETAINER | 7 | |
| 37 | TUBE-FUEL | 1 | |
| 38 | O RING | 2 | |
| 39 | HARNESS ASSY | 1 | |
| 40 | FITTING | 1 | |
| 41 | O RING @5 (5 per pack) | 2 | |
| 42 | RETAINER | 1 | |
| 43 | SCREW | 1 | |
| 44 | BRACKET | 1 |
