| № | Наименование | Примечание | Кол-во |
|---|---|---|---|
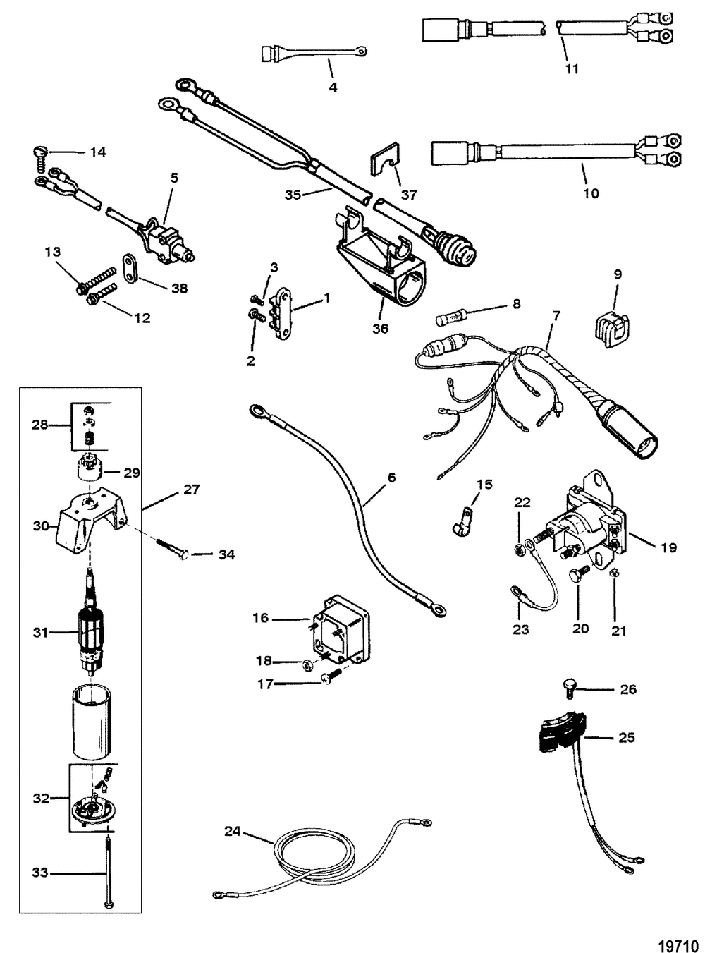
| 1 | BLOCK-TERMINAL | 1 | |
| 2 | SCREW @2 (2 per pack) | 2 | |
| 3 | SCREW @4 (4 per pack) | 2 | |
| 4 | PLUG | 1 | |
| 5 | SWITCH KIT | 1 | |
| 6 | CABLE ASSY | 1 | |
| 7 | HARNESS KIT (Electric)(Design I) | 1 | |
| 8 | FUSE-20 AMP @5 (5 per pack) | 1 | |
| 9 | RETAINER (Electric) | 1 | |
| 10 | HARNESS ASSY VOLTAGE REGULATOR (BLACK/RED) | 1 | |
| 11 | HARNESS ASSY (Sailpower) | 1 | |
| 12 | SCREW (SIDE SHIFT) | 2 | |
| 13 | SCREW | 2 | |
| 15 | J CLIP @5 (5 per pack) | 1 | |
| 16 | RECTIFIER | 1 | |
| 18 | NUT @10 (10 per pack) | 3 | |
| 19 | SOLENOID | 1 | |
| 20 | SCREW | 2 | |
| 22 | NUT @3 (3 per pack) | 2 | |
| 23 | WIRE ASSY | 1 | |
| 24 | CABLE ASY-BATTERY | 1 | |
| 24 | CABLE ASY-BATTERY | 1 | |
| 25 | STATOR ASSY | 1 | |
| 26 | SCREW | 3 | |
| 27 | STARTER ASSY | 1 | |
| 28 | DRIVE KIT | 1 | |
| 29 | DRIVE | 1 | |
| 30 | END CAP | 1 | |
| 31 | ARMATURE | 1 | |
| 32 | END CAP CUMMUTATOR W/SPRINGS AND BRUSHES | 1 | |
| 33 | BOLT-THRU | 2 | |
| 34 | SCREW | 2 | |
| 35 | SWITCH ASSY | 1 | |
| 36 | HOUSING-SWITCH | 1 | |
| 37 | CLIP (ELECTRIC) | 1 | |
| 38 | PLATE | 1 |
