| № | Наименование | Примечание | Кол-во |
|---|---|---|---|
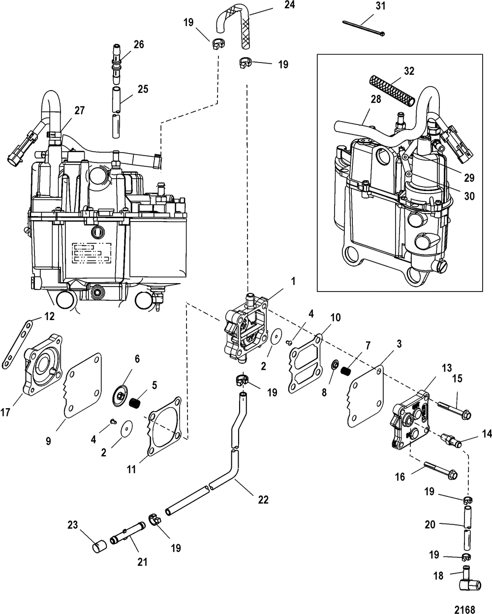
| - | PUMP KIT-FUEL | 1 | |
| - | DIAPHRAM KIT | 1 | |
| - | GASKET SET | 1 | |
| - | PH 200EFI 3L (200) | 1 | |
| - | PH 225EFI 3L (225) | 1 | |
| - | PH 3L WORK EFI (3L Work) | 1 | |
| - | PH 250EFI 3L (250) | 1 | |
| 12 | GASKET | 1 | |
| 13 | PLATE-CHAMBER | 1 | |
| 14 | FITTING | 1 | |
| 15 | SCREW | 2 | |
| 16 | SCREW | 2 | |
| 17 | BASE | 1 | |
| 18 | ELBOW | 1 | |
| 19 | TIE STRAP @100 (100 per pack) | 0 | |
| 20 | HOSE | 1 | |
| 21 | CONNECTOR | 1 | |
| 22 | HOSE | 1 | |
| 24 | HOSE ASSEMBLY | 1 | |
| 25 | HOSE-57 INCH | 1 | |
| 26 | CONNECTOR | 1 | |
| 27 | CLAMP | 2 | |
| 28 | HOSE | 1 | |
| 29 | ORD 32-855834 66 | 1 | |
| 32 | CONDUIT | 1 |
