| № | Наименование | Примечание | Кол-во |
|---|---|---|---|
| - | GASKET SET | 1 | |
| - | PH 25 2ST | 1 | |
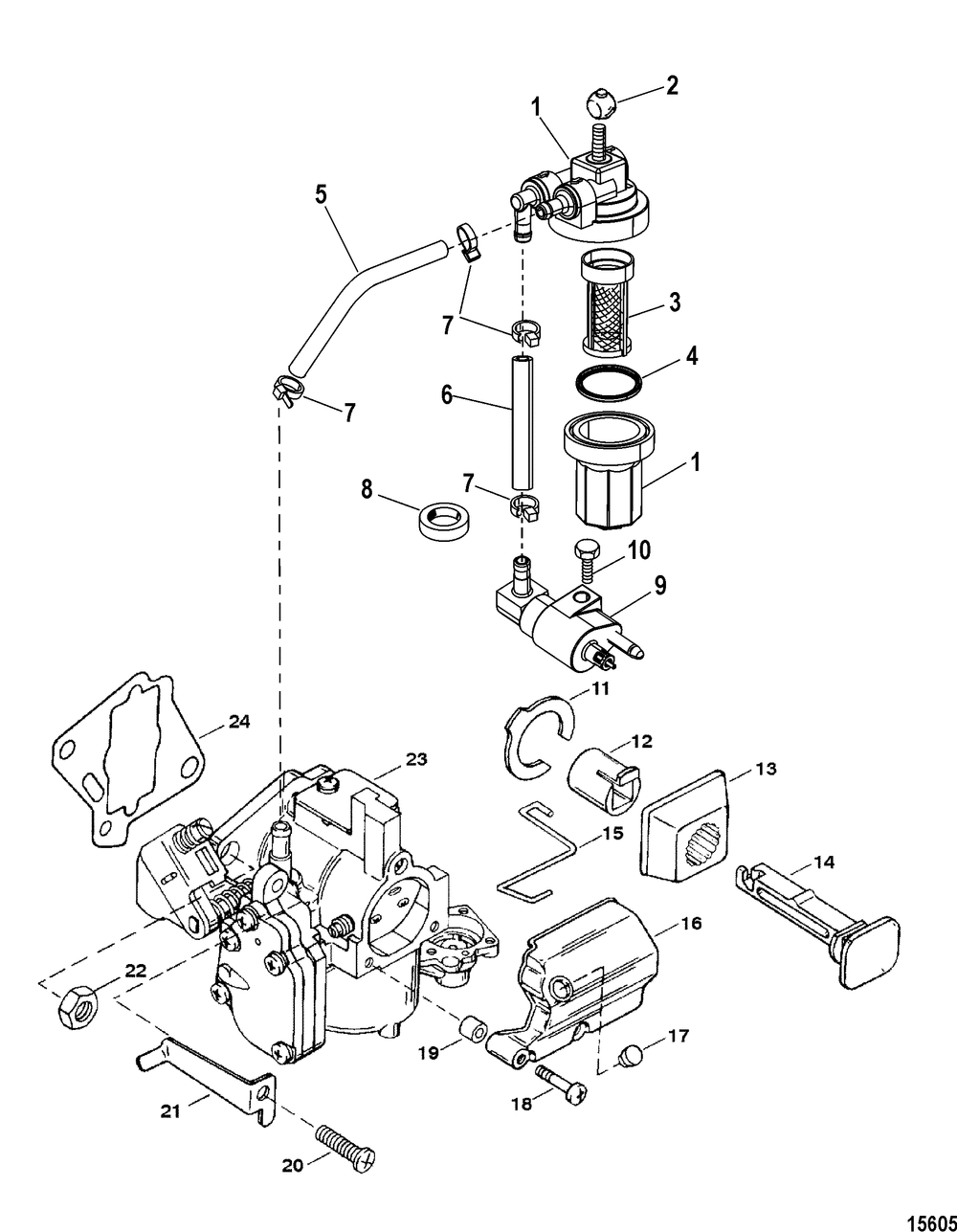
| 1 | FILTER KIT-FUEL | 1 | |
| 2 | BALL | 1 | |
| 3 | FILTER-FUEL @2 (Quicksilver Brand) (2 per pack) | 1 | |
| 3 | FILTER-FUEL @2 (Mercury Brand) (2 per pack) | 1 | |
| 4 | SEAL-FUEL FILTER | 1 | |
| 5 | HOSE-57 INCH | 1 | |
| 7 | TIE STRAP @100 (100 per pack) | 4 | |
| 8 | GROMMET | 1 | |
| 9 | CONNECTOR-FUEL | 1 | |
| 10 | SCREW @5 (5 per pack) | 1 | |
| 11 | RING-RETAINING | 1 | |
| 12 | INSERT | 1 | |
| 13 | CHOKE-BEZEL | 1 | |
| 14 | KNOB-CHOKE | 1 | |
| 15 | LINK-CHOKE | 1 | |
| 16 | COVER-CARB USE WHERE APPLICABLE | 1 | |
| 17 | PLUG @5 (5 per pack) | 1 | |
| 18 | SCREW (Reference tahos_6 is 1.125 Inch -12) | 2 | |
| 19 | INSERT | 2 | |
| 20 | SCREW | 1 | |
| 21 | STOP-THROTTLE | 1 | |
| 22 | NUT @2 (2 per pack) | 2 | |
| 23 | CARBURETOR (WMC-56) | 1 | |
| 23 | CARBURETOR (WMC-54A) | 1 | |
| 24 | GASKET | 1 |
