Оригинальные каталоги
Масла и жидкости
Масла моторные
Масла трансмиссионные
Жидкости гидравлические
Жидкости охлаждающие
Жидкости тормозные
Масла гидравлические
Масла для вилок и амортизаторов
Масла компрессорные
Жидкости для стекол
Масла для цепей бензопил
Масла индустриальные
Масла промывочные
Раствор мочевины AdBlue
Автоэлектроника
Видеорегистраторы
Пылесосы автомобильные
FM трансмиттеры
Зарядные устройства
Разветвители, удлинители прикуривателя
Кабели
Вентиляторы автомобильные
Штекер прикуривателя
Датчик парктроника
Камеры заднего вида
Мониторы парковочные
Парктроники
Термометры
Накидки на сиденье с подогревом
Автохолодильники
Антирадары
Диагностический сканер
Аксессуары
Набор автомобилиста
Ароматизаторы
Тросы буксировочные
Канистры
Ремни крепления груза
Стяжки-резинки крепления
Сетки для крепления груза
Скотч
Влажные салфетки
Держатели телефонов, планшетов
Карты памяти
Наушники
Аккумулятор холода
Термосумки и контейнеры
Фонарики
Батарейки
Оплетки на руль
Огнетушители
Салфетки, полотенца, варежки
Инструмент
Домкраты
Компрессоры
Манометры
Насосы
Светильники переносные
Шарнирно-губцевый инструмент
Ударный инструмент
Метчики. Плашки
Заклёпочники
Заклёпки
Измерительный инструмент
Свёрла
Отвёртки
Изолента
Надфили. Напильники
Ножи, ножовки
Щётки
Абразивная бумага
Специнструмент
Ключи
Хомуты
Дрель-шуруповерт
Автохимия
Присадки
Промывки
Очистители
Смазки спрей
Смазки пластичные
Герметики
Средство для рук
Клей
Лакокрасочные материалы
Автошампуни
Полироли
Антифриз для тормозной системы
Масло для пропитки фильтров
Антикоррозионные составы
Прочее
Электрооборудование
Зарядные устройства
Инверторы
Конвертеры
Звуковые сигналы
Провода прикуривания
Предохранители
Противотуманные фары
Дневные ходовые огни
Электрика фаркопа
Шины и диски
Автошины
Грузовые шины
Мотошины
Камеры
Мотокамеры
Лента обода шины
Колпаки
Диски
Одежда и экипировка
Жилеты
Запчасти
Аккумуляторы
Лампы
Щетки стеклоочистителя
Гофры глушителя
Велотовары
Велосипеды
Самокаты
Велокамеры
Искать по VIN или номеру детали
Поиск по штрих-коду
Искать по VIN-номеру
Войти
Авторизация
Логин
Пароль
Напомнить пароль
Запомнить
Войти
Зарегистрироваться
Авторизоваться другим способом
Востановить пароль
Введите ваш email:
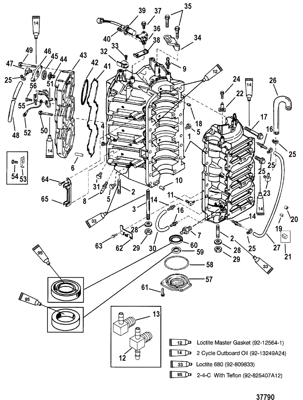
CYLINDER BLOCK AND END CAP
Корзина пуста
Mercury
250 (3.0L EFI) 0G129222 THRU 0G760299
250 (3.0L EFI) 0G129222 THRU 0G760299
CYLINDER BLOCK AND END CAP
№
Наименование
Примечание
Кол-во
-
GASKET SET
1
-
ORD 809794R97 (13 TOOTH SPLINES)
1
1
CYLINDER BLOCK SNtahos_ 0G129222 THRU 0G437999
1
1
CYLINDER BLOCK SNtahos_ 0G129222 THRU 0G437999
1
2
STUD
4
3
STUD
6
4
PLUG-(BRASS)@2 (2 per pack)
1
5
PLUG (SEAPRO/MARATHON)
2
6
DEFLECTOR-WATER SNtahos_ 0G438000 & Up
4
7
CHECK VALVE
1
8
CONNECTOR
6
9
PIN (SPECIAL)
2
10
PIN-DOWEL-SOLID
1
11
FITTING
13
12
VALVE-CHECK (REF. tahos_12 ON "CYLINDER BLOCK AND END CAP")
6
13
CHECK VALVE
6
14
VALVE-CHECK
2
15
SCREW
14
16
VALVE-CHECK
2
17
SCREW
8
18
PIN-CENTER MAIN
3
19
CARRIER ASSY (13 Tooth Splines) SNtahos_ 0G129222 THRU 0G437999
1
20
VALVE ASSY-CHECK
6
21
PLUG-STOP SNtahos_ 0G438000 & Up
6
22
POINTER-TIMING
1
23
FITTING SNtahos_ 0G129222 & Up
1
24
SCREW @5 (5 per pack)
1
25
TIE STRAP @100 (100 per pack)
0
26
TUBING KIT SNtahos_ 0G129222 & Up
1
27
TUBING-20 FEET SNtahos_ USA-0G301750/BEL-9885504 & Below
1
28
WASHER
10
29
NUT @3 DESIGN II (3 per pack)
10
31
PLUG
6
32
BRACKET (SEAPRO/MARATHON) SNtahos_ 0G129222 & Up
1
34
BRACKET
1
35
SCREW
2
36
BRACKET
1
38
BRACKET
1
39
SENSOR ASSY
1
40
SCREW
1
41
SEAL
2
42
O RING
6
43
HEAD KIT-CYLINDER
2
44
THERMOSTAT SNtahos_ 0G438000 & Up
2
44
THERMOSTAT-143 SNtahos_ 0G437999 & Below
2
45
GASKET @4 (4 per pack)
2
46
COVER KIT USE WITH 45 DEGREE ELBOW
2
46
COVER KIT USE WITH 90 DEGREE ELBOW
2
47
FITTING
2
48
HOSE-48 INCH USE WITH 45 DEGREE ELBOW
2
49
SCREW
4
50
SCREW @5 (5 per pack)
36
51
SENSOR-TEMP SEAPRO/MARATHON SNtahos_ 0G217420 & Up
1
52
CABLE ASSY @5 SEAPRO/MARATHON SNtahos_ 0G217420 & Up (5 per pack)
1
53
RETAINER DESIGN I
1
54
SCREW DESIGN I
1
55
RETAINER
1
56
SCREW DESIGN II
1
57
END CAP ASSY
1
57
END CAP ASSY SEE SERVICE BULLETIN 95-4 SNtahos_ 0G303045 & Below
1
58
O RING
1
59
NLA SEE SB 95-4 SEE SERVICE BULLETIN 95-4 SNtahos_ 0G303045 & Below
2
59
SEAL SNtahos_ 0G303046 & Up
2
60
SEAL
1
61
SCREW @5 (5 per pack)
4
62
BRACKET
1
63
SCREW @5 (5 per pack)
1
65
CLAMP
1