| № | Наименование | Примечание | Кол-во |
|---|---|---|---|
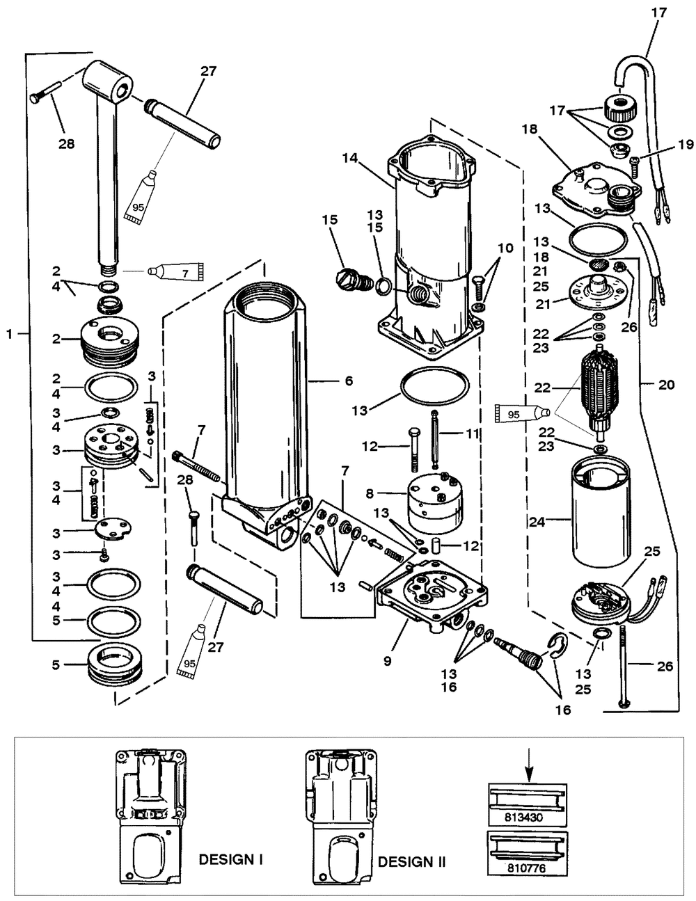
| - | POWER TRIM KIT (INCLUDES ALL PARTS ON THIS PAGE) | 1 | |
| 1 | SHOCK ROD KIT | 1 | |
| 2 | REF PARTSBUL 97-1 | 1 | |
| 3 | SHOCK PISTON ASSY | 1 | |
| 4 | REF PARTSBUL 97-1 | 1 | |
| 5 | MEMORY PISTON KIT | 1 | |
| 5 | MEMORY PISTON | 1 | |
| 6 | ORD 8M0055016 | 1 | |
| 6 | REF PARTSBUL 97-1 DESIGN I SEE ILLUSTRATION | 1 | |
| 7 | VALVE KIT-TRIM | 1 | |
| 7 | SCREW/SEAL KIT DESIGN I SEE ILLUSTRATION | 1 | |
| 8 | PUMP ASSY DESIGN I SEE ILLUSTRATION | 1 | |
| 9 | REF PARTSBUL 97-1 DESIGN I SEE ILLUSTRATION | 1 | |
| 9 | MANIFOLD DESIGN II SEE ILLUSTRATION | 1 | |
| 10 | SCREW & WASHERS-4 | 1 | |
| 11 | SHAFT-DRIVE | 1 | |
| 12 | SCREW/DOWEL KIT | 1 | |
| 13 | O RING KIT | 1 | |
| 14 | REF OB PB 97-1 | 1 | |
| 15 | PLUG ASSY-RESERVO | 1 | |
| 16 | VALVE KIT-RELIEF | 1 | |
| 17 | HARNESS ASSY | 1 | |
| 18 | CAP KIT-RESERVOIR | 1 | |
| 19 | SCREW KIT-4 | 1 | |
| 20 | REF PARTSBUL 97-1 | 1 | |
| 21 | END CAP | 1 | |
| 22 | REF PARTSBUL 97-1 | 1 | |
| 23 | REF PARTSBUL 97-1 | 1 | |
| 24 | REF PARTSBUL 97-1 | 1 | |
| 25 | REF PARTSBUL 97-1 | 1 | |
| 26 | BOLT & NUT KIT | 1 | |
| 27 | PIN | 2 | |
| 28 | PIN-TRILOBE | 2 |
