| № | Наименование | Примечание | Кол-во |
|---|---|---|---|
| - | TRIM ASSY-MANUAL (S/N-0D279350 & UP) INCLUDES ALL PARTS ON THIS PAGE | 1 | |
| - | TRIM-MANUAL-BEACH (BEACHING-EXPORT) | 1 | |
| - | BEACHING KT-MANUA (TO CONVERT MANUAL TO A BEACHING UNIT) | 1 | |
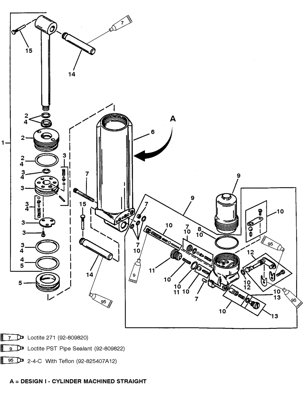
| 1 | SHOCK ROD KIT | 1 | |
| 1 | SHOCK ROD KIT (BEACHING-EXPORT) | 1 | |
| 2 | REF PARTSBUL 97-1 | 1 | |
| 3 | SHOCK PISTON ASSY | 1 | |
| 4 | REF PARTSBUL 97-1 | 1 | |
| 5 | MEMORY PISTON KIT | 1 | |
| 6 | CYLINDER KIT (DESIGN II/III) SEE ILLUSTRATION | 1 | |
| 7 | SCREW/SEAL KIT DESIGN I SEE ILLUSTRATION | 1 | |
| 8 | ACCUMULATOR KIT | 1 | |
| 9 | VALVE BODY KIT | 1 | |
| 10 | REPAIR KIT (DESIGN I/II) | 1 | |
| 11 | PLUG KIT (DESIGN III) | 1 | |
| 12 | ORD 813455A 4 (S/N 0G236679 & UP) | 1 | |
| 13 | PLUG KIT | 1 | |
| 14 | PIN | 2 | |
| 15 | PIN-TRILOBE | 2 |
