| № | Наименование | Примечание | Кол-во |
|---|---|---|---|
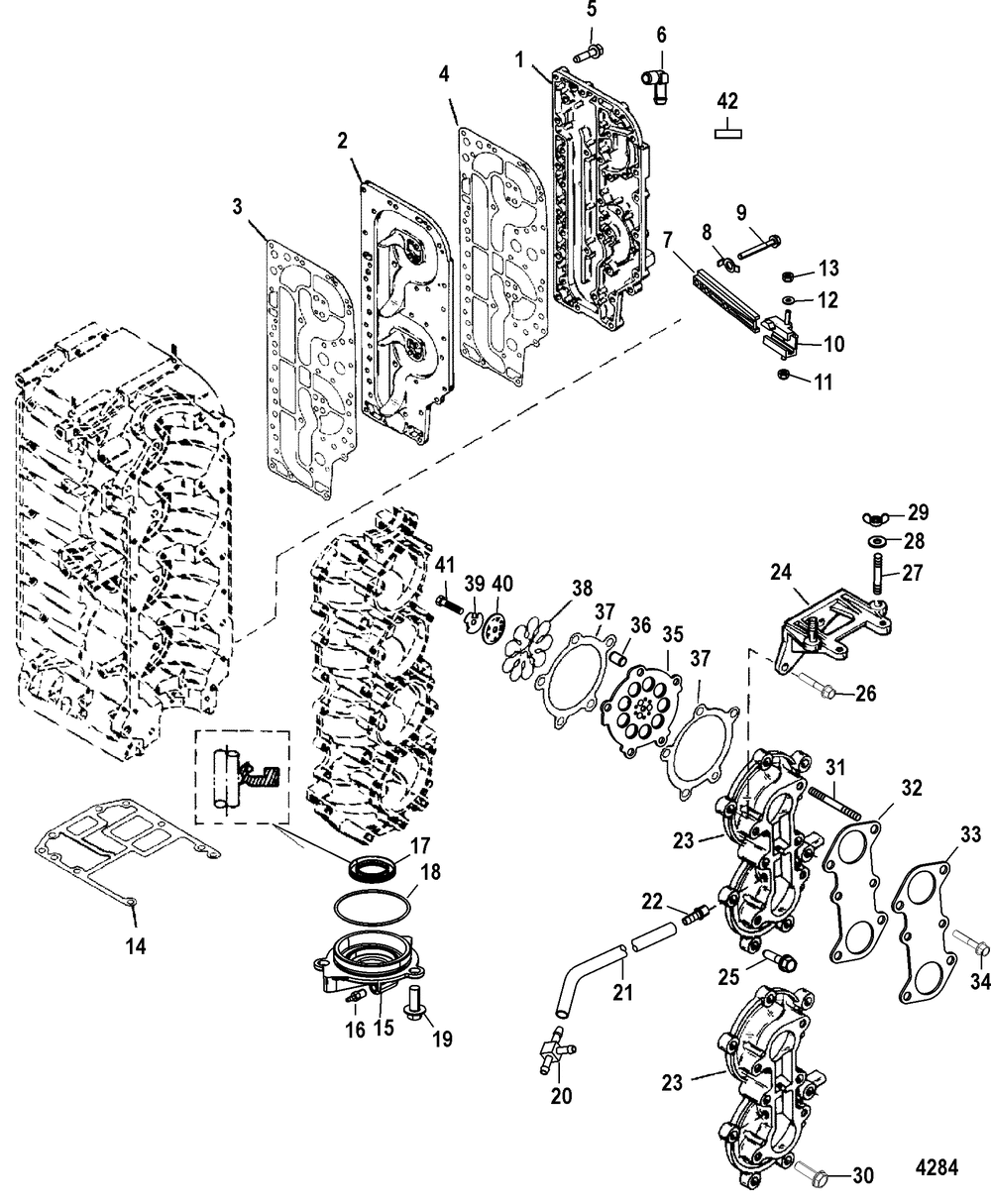
| - | GASKET SET | 1 | |
| - | ORD 17791R97 | 1 | |
| 1 | COV/PLATE KIT-EXH | 1 | |
| 3 | GASKET | 1 | |
| 4 | GASKET | 1 | |
| 5 | SCREW | 35 | |
| 6 | ELBOW | 1 | |
| 7 | SHIFT RAIL ASSY | 1 | |
| 8 | WASHER-TAB | 2 | |
| 9 | SCREW | 2 | |
| 10 | SLIDE | 1 | |
| 11 | NUT @5 (5 per pack) | 1 | |
| 12 | WASHER | 1 | |
| 14 | GASKET | 1 | |
| 15 | END CAP ASSY SNtahos_ 0G760300 THRU 0T758474 | 1 | |
| 16 | VALVE-CHECK | 1 | |
| 17 | SEAL @2 (2 per pack) | 1 | |
| 17 | SEAL SNtahos_ 0T758475 THRU 0T979999 | 1 | |
| 18 | O RING | 1 | |
| 19 | SCREW | 3 | |
| 20 | FITTING | 1 | |
| 21 | TUBING-38 INCH | 2 | |
| 22 | FITTING | 2 | |
| 23 | MANIFOLD ASSY | 2 | |
| 24 | BRACKET | 1 | |
| 26 | SCREW | 2 | |
| 27 | STUD | 2 | |
| 28 | WASHER @5 (5 per pack) | 2 | |
| 29 | NUT-WING | 2 | |
| 30 | SCREW | 2 | |
| 31 | STUD | 6 | |
| 32 | GASKET | 2 | |
| 33 | COVER | 2 | |
| 34 | SCREW | 4 | |
| 35 | REED BLOCK ASSY | 4 | |
| 37 | GASKET | 8 | |
| 38 | REED KIT | 4 | |
| 39 | WASHER-TAB | 4 | |
| 40 | RETAINER | 4 | |
| 41 | SCREW | 4 | |
| 42 | REF OB SB 09-18 (1999) | 1 | |
| 42 | REF OB SB 09-18 (2000) | 1 | |
| 42 | REF OB SB 09-18 (2001) | 1 | |
| 42 | REF OB SB 09-18 (2002) | 1 | |
| 42 | REF OB SB 09-18 (2003) | 1 |
