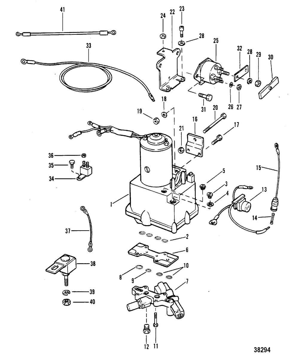
POWER TRIM COMPONENTS(WITH CIRCUIT BREAKER AND FUSE)

Корзина пуста