| № | Наименование | Примечание | Кол-во |
|---|---|---|---|
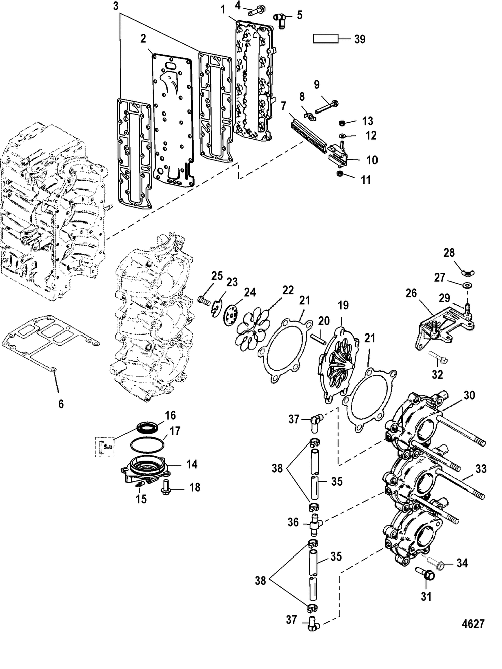
| - | GASKET SET | 1 | |
| - | PH 75/90(OIL INJ) | 1 | |
| - | PH 75/90(ELH/MLH) (Non Oil Injection) | 1 | |
| 1 | COV/PLATE KIT-EXH | 1 | |
| 3 | GASKET | 2 | |
| 4 | SCREW | 24 | |
| 5 | ELBOW | 1 | |
| 6 | GASKET | 1 | |
| 7 | SHIFT RAIL ASSY | 1 | |
| 8 | WASHER-TAB | 2 | |
| 9 | SCREW | 2 | |
| 10 | SLIDE | 1 | |
| 11 | NUT @5 (5 per pack) | 1 | |
| 12 | WASHER | 1 | |
| 14 | END CAP ASSY | 1 | |
| 15 | VALVE-CHECK | 1 | |
| 16 | SEAL SNtahos_ 0T758475 THRU 0T979999 | 1 | |
| 17 | O RING | 1 | |
| 18 | SCREW | 3 | |
| 19 | REED BLOCK ASSY | 3 | |
| 21 | GASKET | 6 | |
| 22 | REED KIT | 3 | |
| 23 | WASHER-TAB | 3 | |
| 24 | RETAINER | 3 | |
| 25 | SCREW | 3 | |
| 26 | BRACKET | 1 | |
| 26 | BRACKET (NON OIL-INJECTION) | 1 | |
| 27 | WASHER @5 (5 per pack) | 2 | |
| 28 | NUT-WING | 2 | |
| 29 | STUD | 2 | |
| 30 | M FOLD-INDUCTION | 3 | |
| 32 | SCREW | 2 | |
| 33 | STUD | 4 | |
| 34 | SCREW | 2 | |
| 35 | HOSE-70 INCH | 2 | |
| 36 | FITTING-TEE | 1 | |
| 36 | CONNECTOR (ELECTRIC) | 1 | |
| 38 | TIE STRAP @100 (100 per pack) | 0 | |
| 39 | REF OB SB 09-18 | 1 | |
| 39 | REF OB SB 09-18 | 1 | |
| 39 | REF OB SB 09-18 | 1 |
