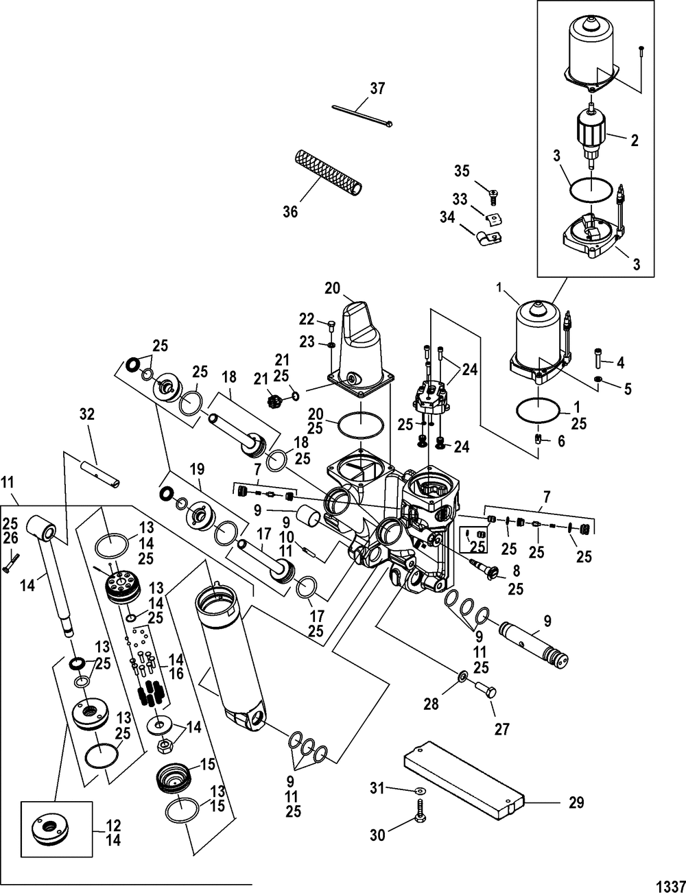
| № | Наименование | Примечание | Кол-во |
|---|---|---|---|
| - | O RING | 1 | |
| - | POWER TRIM KIT | 1 | |
| 1 | ORD 8M0031551 | 1 | |
| 4 | SCREW | 2 | |
| 5 | LOCKWASHER @5 (5 per pack) | 2 | |
| 6 | COUPLING-DRIVE | 1 | |
| 7 | PO CHECK KIT | 1 | |
| 8 | VALVE KIT-RELIEF | 1 | |
| 9 | SHAFT KIT | 1 | |
| 10 | PIN-GROOVE | 1 | |
| 11 | ORD 898479A03 | 1 | |
| 12 | ORD 8M0090322 | 1 | |
| 13 | O RING KT-TILTCYL | 1 | |
| 14 | SHOCK ROD KIT | 1 | |
| 15 | PISTON MEMORY KIT | 1 | |
| 16 | REPAIR KIT | 1 | |
| 17 | TRIM ROD KIT-STBD | 1 | |
| 18 | TRIM ROD KIT-PORT | 1 | |
| 19 | END CAP ASSY | 2 | |
| 20 | COVER KT-RESERVOI | 1 | |
| 21 | PLUG ASSY | 1 | |
| 22 | SCREW | 4 | |
| 23 | WASHER @4 (4 per pack) | 4 | |
| 24 | PUMP KIT-HYD TILT | 1 | |
| 25 | O RING KIT | 1 | |
| 26 | PIN-TRILOBE | 1 | |
| 27 | SCREW | 6 | |
| 28 | WASHER @3 (3 per pack) | 6 | |
| 29 | ANODE KIT | 1 | |
| 30 | SCREW @5 (5 per pack) | 2 | |
| 31 | WASHER (10 per pack) | 2 | |
| 32 | SHAFT-UPPER TILT | 11 | |
| 33 | WASHER | 1 | |
| 34 | CLIP | 2 | |
| 35 | SCREW | 1 | |
| 36 | CONDUIT-.35 X 3FT | 1 | |
| 37 | TIE STRAP @100 (100 per pack) | 1 |
