| № | Наименование | Примечание | Кол-во |
|---|---|---|---|
| - | ORD 823434R00 (140/150/XR6/MAGNUM III) | 1 | |
| - | ORD 813043R00 (200) | 1 | |
| - | PH 175 EFI (175) | 1 | |
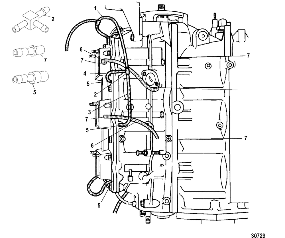
| 1 | TUBING-20 FEET SNtahos_ USA-0G301750/BEL-9885504 & Below | 1 | |
| 2 | FITTING @2 (2 per pack) | 1 | |
| 5 | CHECK VALVE | 3 | |
| 7 | FITTING (Fitting is installed in Block) | 4 |
