| № | Наименование | Примечание | Кол-во |
|---|---|---|---|
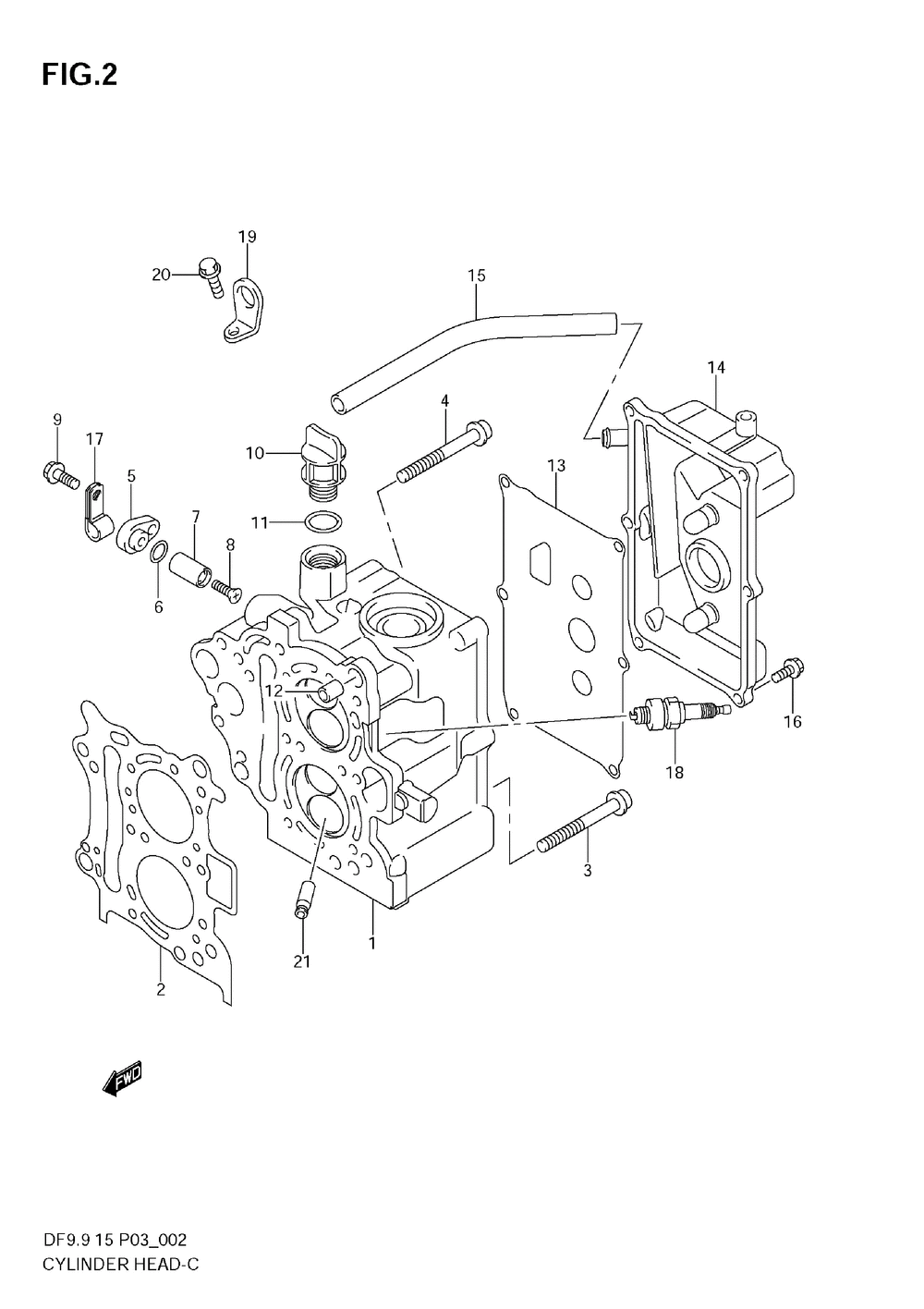
| 1-1 | Детать | 1 | |
| 1-2 | HEADCYLINDER (DF9.9T/TH:110001~ DF15:110001~ ) | 1 | |
| 2-1 | GASKETCYLINDER | 1 | |
| 3 | Детать | 6 | |
| 4 | Детать | 2 | |
| 5 | COVERPROTECTIO (DF60:421157~DF70:421832~MODEL:07) | 1 | |
| 6 | O-RING D:2.4 ID | 1 | |
| 7 | ANODEPROTECTIO (DF60:421157~DF70:421832~MODEL:07) | 1 | |
| 8 | SCREWPROTECTIO (DF60:421157~DF70:421832~MODEL:07) | 1 | |
| 9 | BOLT | 1 | |
| 10 | CAPOIL FILLER | 1 | |
| 11 | O-RING OIL FIL | 1 | |
| 12 | 11 X 12 DOWEL P | 2 | |
| 13 | GASKETCYLINDER | 1 | |
| 14 | COVER COMPCYLI | 1 | |
| 15 | HOSEBREATHER(L | 1 | |
| 17 | Детать | 1 | |
| 18-1 | Свеча зажигания | 2 | |
| 18-2 | SPARK PLUG CPR6 (DF4:110001~ DF6:110001~ ) | 1 | |
| 19 | HOOKENGINE (OPT) | 1 | |
| 20 | BOLT | 1 | |
| 21 | GUIDEVALVE(OS: (OPT) | 4 |
