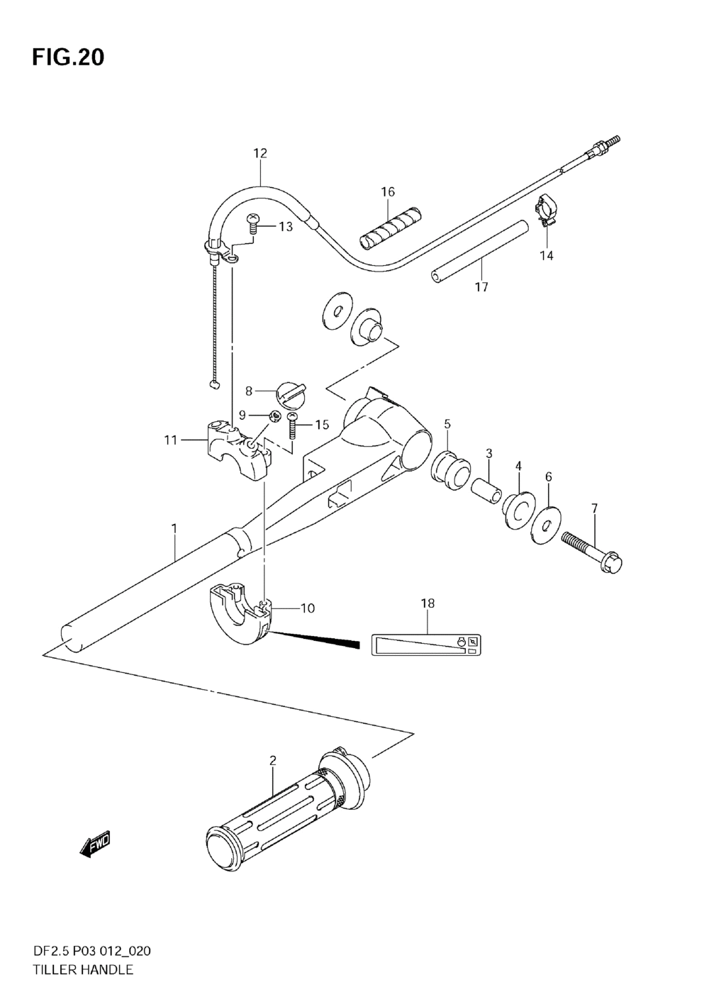
| № | Наименование | Примечание | Кол-во |
|---|---|---|---|
| 1 | HANDLETILLER | 1 | |
| 2 | GRIPTHROTTLE | 1 | |
| 3 | SPACERTILLER H | 1 | |
| 4 | BUSHTILLER HAN | 2 | |
| 5 | MOUNTTILLER HA | 1 | |
| 6 | WASHER (8.5X28X | 2 | |
| 7 | BOLT8X40 (<-09116-08128) | 1 | |
| 8 | KNOBTHROTTLE A | 1 | |
| 9 | NUT | 1 | |
| 10 | CASEUPPER | 1 | |
| 11 | CASELOWER | 1 | |
| 12 | CABLE ASSYTHRO | 1 | |
| 13 | SCREW | 1 | |
| 14 | Детать | 2 | |
| 15 | SCREWTHROTTLE | 2 | |
| 16 | TUBESW LEAD (L:250->50) | 1 | |
| 17 | HOSE9X13X600 (L:600->360) | 1 | |
| 18 | MARKHANDLE GRI | 1 |
