| № | Наименование | Примечание | Кол-во |
|---|---|---|---|
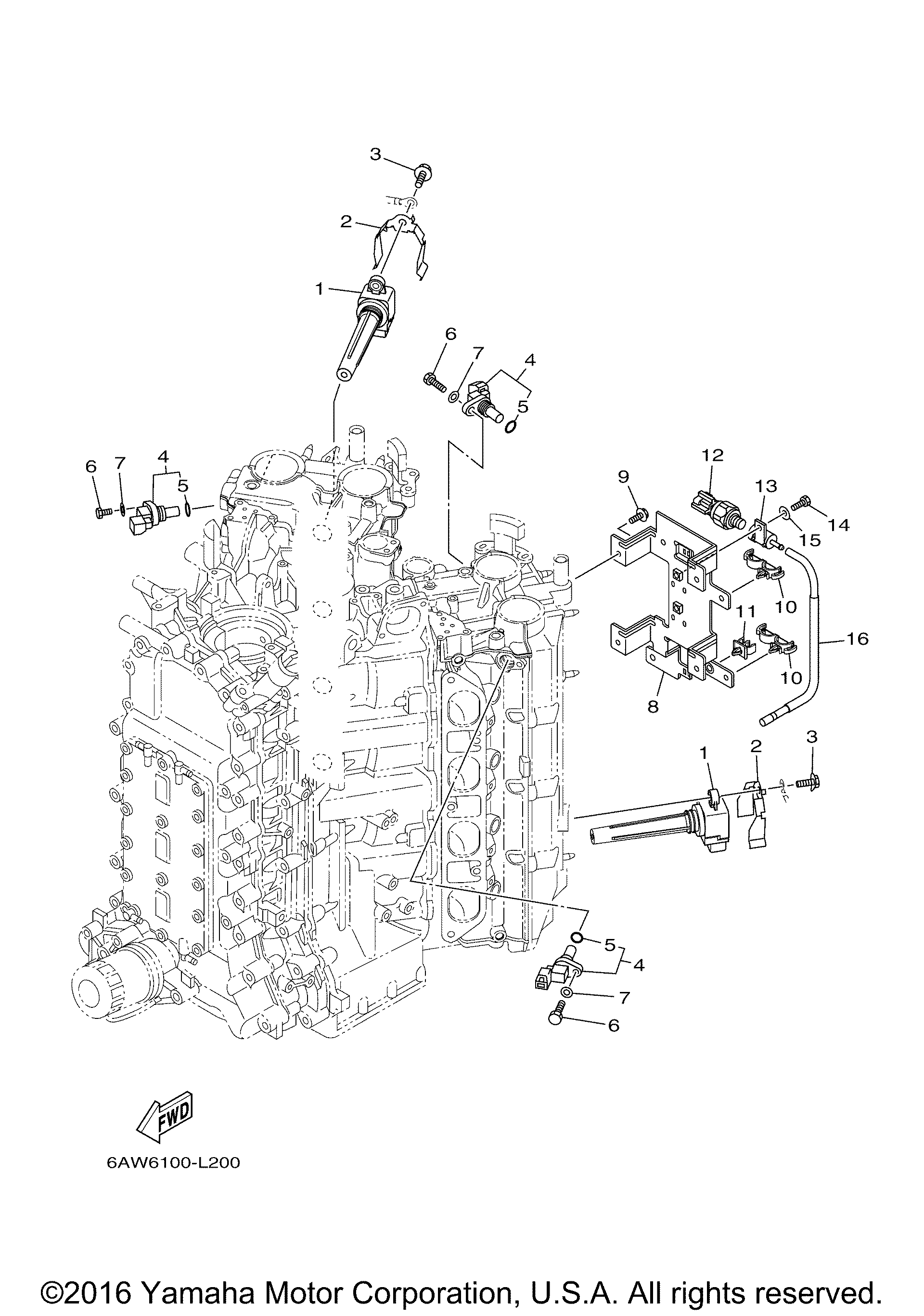
| 1 | IGNITION COIL ASSY | 8 | |
| 2 | PLATE COIL | 8 | |
| 3 | BOLT | 8 | |
| 4 | SENSOR CAM POSITION | 3 | |
| 5 | O-RING | 1 | |
| 6 | BOLT HEXAGON | 3 | |
| 7 | WASHER (5 per pack) | 3 | |
| 8 | BRACKET 3 | 1 | |
| 9 | BOLT | 4 | |
| 10 | CLAMP | 2 | |
| 11 | CLAMP | 1 | |
| 12 | SENSOR WATER PRESSU FOR LAN SPEED | 1 | |
| 13 | CONNECTOR 3 FOR LAN SPEED | 1 | |
| 14 | BOLT (GA1) (5 per pack) | 1 | |
| 16 | HOSE | 1 |
