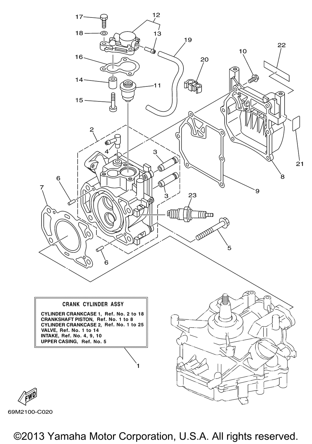
| № | Наименование | Примечание | Кол-во |
|---|---|---|---|
| 1 | CRANK CYLINDER ASSY | 1 | |
| 2 | HEAD CYLINDER 1 | 1 | |
| 3 | GUIDE INTAKE VALV | 2 | |
| 4 | NIPPLEHOSE | 1 | |
| 5 | BOLT FLANGE | 4 | |
| 6 | .PIN DOWEL | 2 | |
| 7 | GASKET CYLINDER HEA | 1 | |
| 8 | COVER CYLINDER HE | 1 | |
| 9 | GASKET HEAD COVER 1 | 1 | |
| 10 | BOLT FLANGE | 6 | |
| 11 | THERMOSTAT | 1 | |
| 12 | COVER THERMOSTAT | 1 | |
| 13 | PIPEJOINT | 1 | |
| 14 | ANODE | 1 | |
| 15 | SCREW PANHEAD | 1 | |
| 16 | GASKET COVER | 1 | |
| 17 | BOLT HEXAGON | 3 | |
| 18 | WASHER (5 per pack) | 3 | |
| 19 | HOSE (L240) | 1 | |
| 20 | CLAMP | 1 | |
| 21 | MARK 1 | 1 | |
| 22 | MARK CAUTION | 1 | |
| 23 | BR6HS NGK 10PK (NGK BR6HS) (10 per pack) | 1 |
