| № | Наименование | Примечание | Кол-во |
|---|---|---|---|
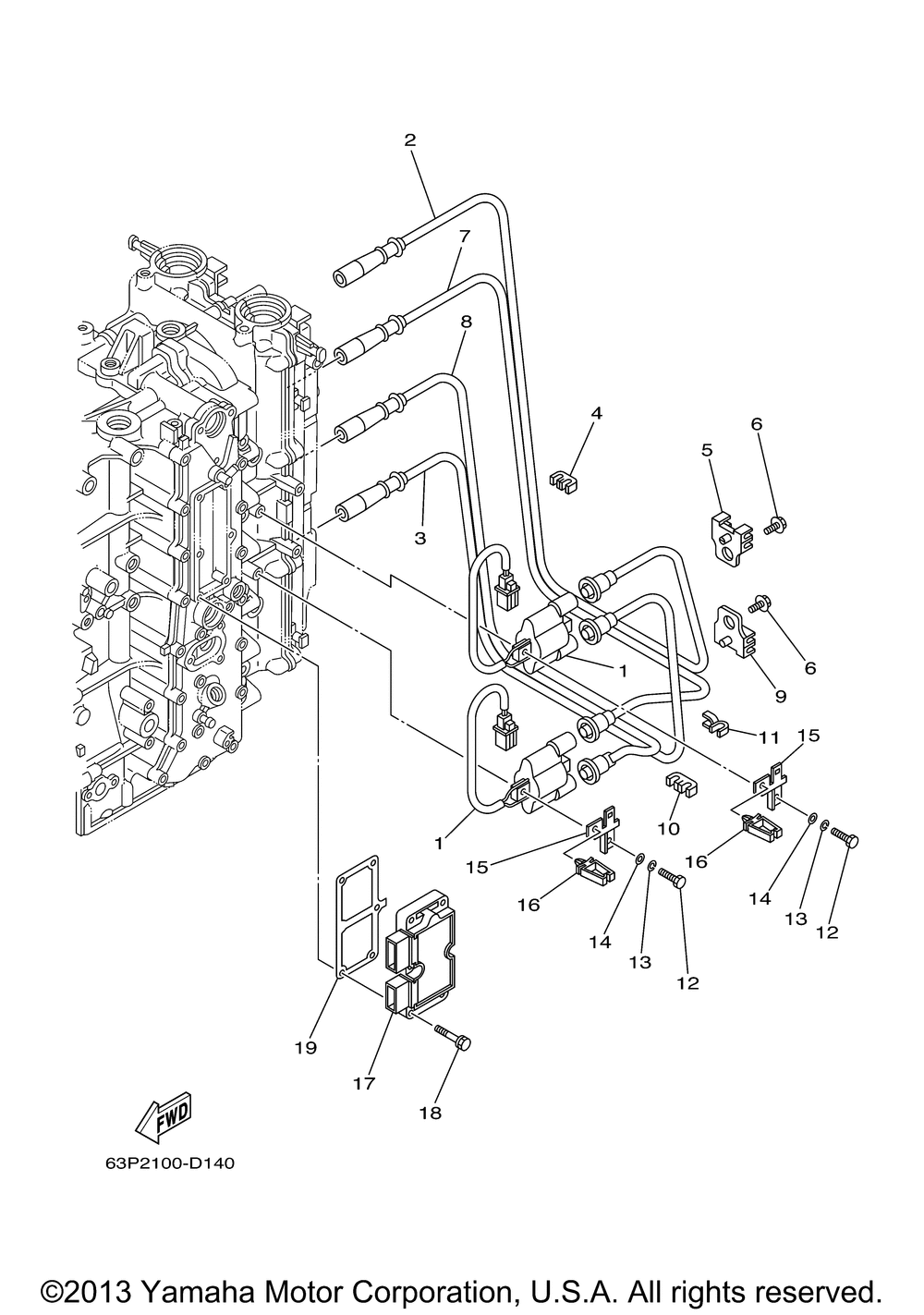
| 1 | IGNITION COIL ASSY | 2 | |
| 2 | CORD HIGH TENSION 1 | 1 | |
| 3 | CORD HIGH TENSION 2 | 1 | |
| 4 | CLAMP CORD | 1 | |
| 5 | CLAMP CORD 2 | 1 | |
| 6 | BOLTWITH WASHER | 2 | |
| 7 | CORD HIGH TENSION 3 | 1 | |
| 8 | CORD HIGH TENSION 4 | 1 | |
| 11 | CLAMP | 1 | |
| 12 | BOLT | 4 | |
| 13 | WASHER (5 per pack) | 4 | |
| 14 | WASHER (5 per pack) | 4 | |
| 15 | PLATE | 2 | |
| 16 | CLAMP | 2 | |
| 17 | RECTIFIER & REGULATO | 1 | |
| 18 | BOLT WITH WASHER | 6 | |
| 19 | PLATE RECTIFIER FIT | 1 |
