| № | Наименование | Примечание | Кол-во |
|---|---|---|---|
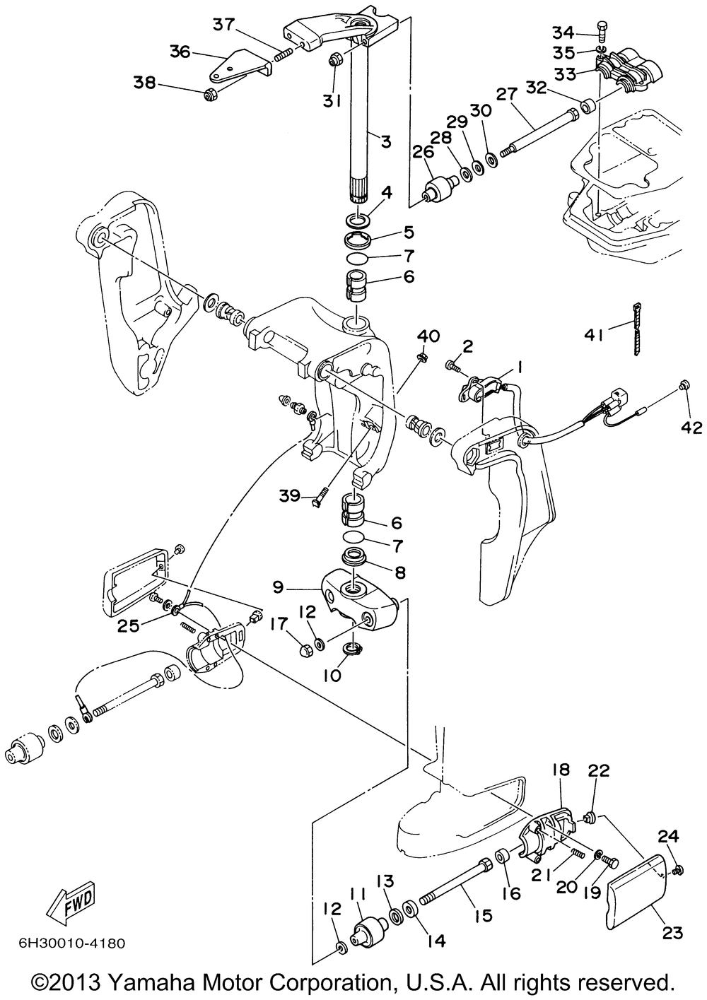
| 1 | TRIM SENDER | 1 | |
| 2 | SCREWPAN HEAD | 2 | |
| 3 | STEERING BRACKET ASS | 1 | |
| 4 | WASHER PLATE | 1 | |
| 5 | BUSH | 1 | |
| 6 | BUSH | 2 | |
| 7 | O-RING | 2 | |
| 8 | BUSH | 1 | |
| 9 | HOUSINGLWRMOUNT | 1 | |
| 10 | CIRCLIP | 1 | |
| 11 | MOUNTDAMPER LWR. | 2 | |
| 12 | WASHER PLATE | 4 | |
| 13 | WASHERPLATE S(16.7") | 2 | |
| 14 | WASHER PLATE | 2 | |
| 15 | BOLT | 2 | |
| 16 | DAMPERLWR.MT.RUBB | 2 | |
| 17 | NUT(CROWN) S(16.7") | 2 | |
| 18 | HOUSING LOWER MOUNT | 2 | |
| 19 | BOLT | 4 | |
| 20 | WASHERSPRING | 4 | |
| 21 | SPRINGCOMPRESSION | 4 | |
| 22 | NUTSPEC'L SHAPE | 2 | |
| 23 | COVERLWR.MOUNT | 2 | |
| 25 | WIRELEAD 2 | 1 | |
| 26 | MOUNT DAMPER UPPER | 2 | |
| 27 | BOLT | 2 | |
| 28 | WASHERPLATE | 2 | |
| 29 | WASHERPLATE | 2 | |
| 30 | WASHERPLATE | 2 | |
| 31 | NUT SELF-LOCKING | 2 | |
| 33 | COVER UPPER MOUNT | 1 | |
| 34 | BOLT | 3 | |
| 36 | HOOK STEERING STEERING GUIDE | 1 | |
| 37 | BOLT STUD | 2 | |
| 39 | BOLTTHRUST RECVR. | 2 | |
| 40 | NUT SELF-LOCKING | 2 | |
| 41 | CLAMP | 3 | |
| 42 | COVERLEAD WIRE | 1 |
