| № | Наименование | Примечание | Кол-во |
|---|---|---|---|
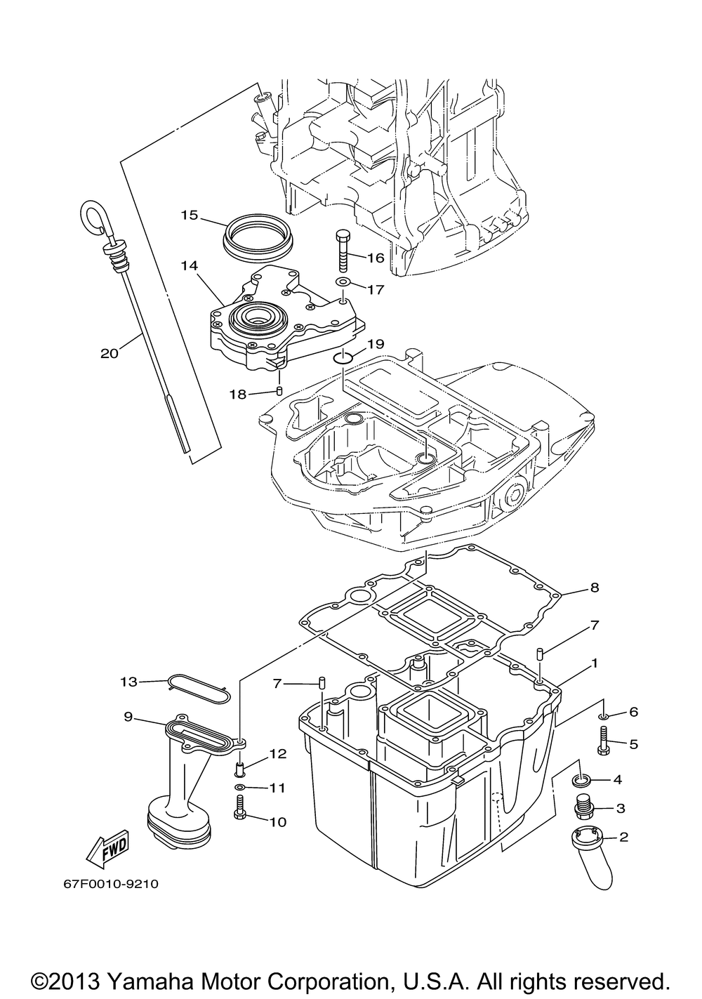
| 1 | OIL PAN SET | 1 | |
| 2 | DAMPER 1 | 1 | |
| 3 | PLUGSTRAGHT SCREW | 1 | |
| 4 | GASKET | 1 | |
| 5 | BOLT | 12 | |
| 6 | WASHER (5 per pack) | 12 | |
| 7 | PINDOWEL (USA) (5 per pack) | 2 | |
| 8 | GASKET OIL PAN | 1 | |
| 9 | STRAINER OIL | 1 | |
| 10 | BOLTHEXAGON | 3 | |
| 11 | WASHER PLATE (6TA) | 3 | |
| 12 | COLLAR | 3 | |
| 13 | SEAL OIL STRAINER | 1 | |
| 14 | OIL PUMP ASSY | 1 | |
| 15 | SEAL | 1 | |
| 16 | BOLT (6G8) | 6 | |
| 18 | .PIN DOWEL | 2 | |
| 19 | O-RING (5 per pack) | 2 | |
| 20 | PLUG OIL LEVEL | 1 |
