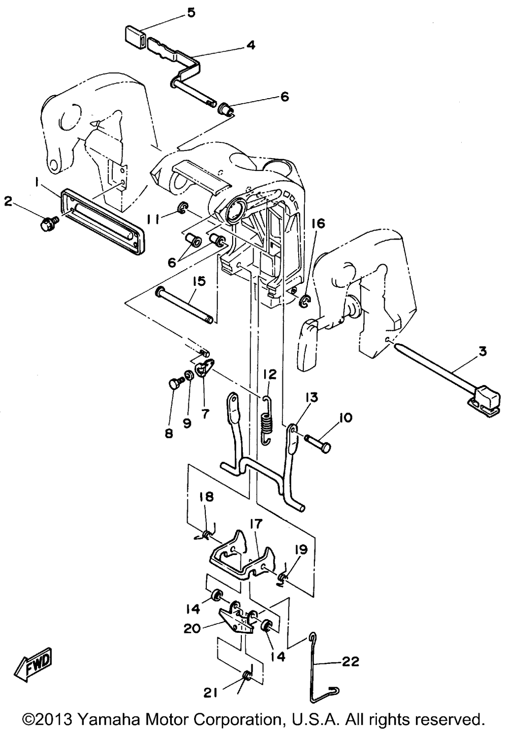
| № | Наименование | Примечание | Кол-во |
|---|---|---|---|
| 1 | STOPPERTILT LOCK | 1 | |
| 2 | BOLT W/WASHER | 4 | |
| 3 | TILT ROD ASSY | 1 | |
| 4 | TILT LEVER ASSY. | 1 | |
| 5 | COVER | 1 | |
| 6 | BUSHSPEC'L NYLON (5 per pack) | 3 | |
| 7 | LEVERSHALLOW WATR | 1 | |
| 8 | BOLT (682) | 1 | |
| 9 | WASHER (5 per pack) | 1 | |
| 10 | SHAFTSTOPPER | 1 | |
| 11 | CIRCLIP | 1 | |
| 12 | SPRINGTENSION | 1 | |
| 13 | RECEIVER ASSY. | 1 | |
| 14 | WATER SEAL | 2 | |
| 15 | SHAFTTILT LOCK | 1 | |
| 17 | PLATETILT LOCK 1 | 1 | |
| 18 | SPRINGTORSION | 1 | |
| 19 | SPRINGTORSION | 1 | |
| 20 | PLATETILT LOCK | 1 | |
| 21 | SPRINGLOCK | 1 | |
| 22 | HOOK | 1 |
