| № | Наименование | Примечание | Кол-во |
|---|---|---|---|
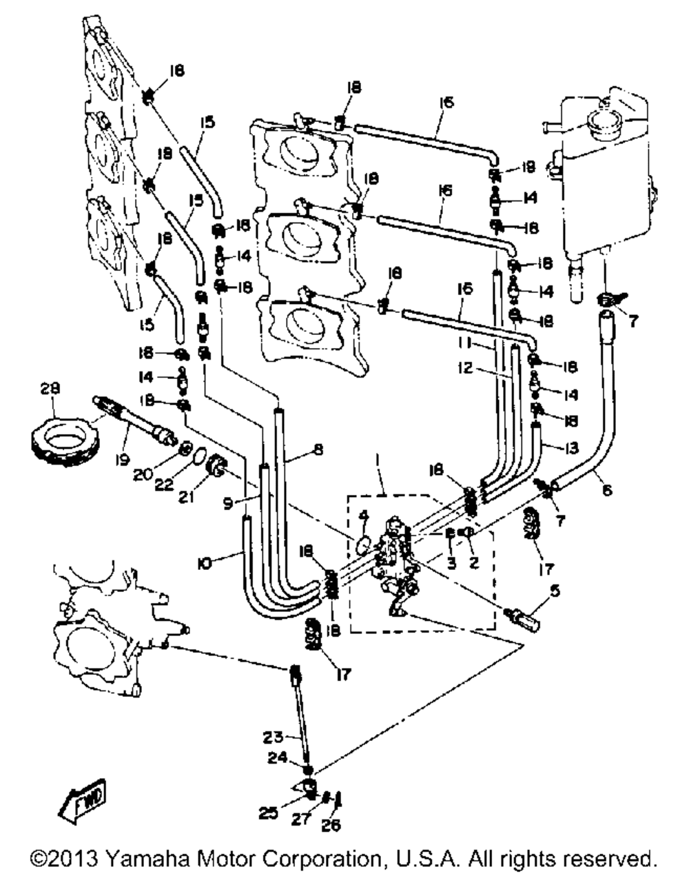
| 1 | OIL INJECTION PUMP A | 1 | |
| 2 | SCREW | 1 | |
| 3 | GASKETBRTHR BOLT | 1 | |
| 4 | O-RING | 1 | |
| 5 | BOLT | 2 | |
| 6 | PIPEOIL 1 | 1 | |
| 7 | CLAMP | 2 | |
| 8 | HOSE (L360) | 1 | |
| 9 | HOSE (L276) | 1 | |
| 10 | HOSE (L200) (L167) | 1 | |
| 14 | VALVECHECK (USA) | 6 | |
| 15 | HOSE (L110) | 3 | |
| 16 | HOSE (L180) | 3 | |
| 17 | CLAMP | 2 | |
| 18 | CLIP | 24 | |
| 19 | GEARDRIVEN | 1 | |
| 20 | WASHERPLATE | 1 | |
| 21 | COLLARDISTANCE | 1 | |
| 22 | O-RING (5 per pack) | 1 | |
| 23 | JOINTLINK 2 | 1 | |
| 24 | NUT (5 per pack) | 1 | |
| 25 | JOINTLINK 2 | 1 | |
| 26 | PINCOTTER | 1 | |
| 27 | WASHERPLATE | 1 | |
| 28 | GEARDRIVE | 1 |
