| № | Наименование | Примечание | Кол-во |
|---|---|---|---|
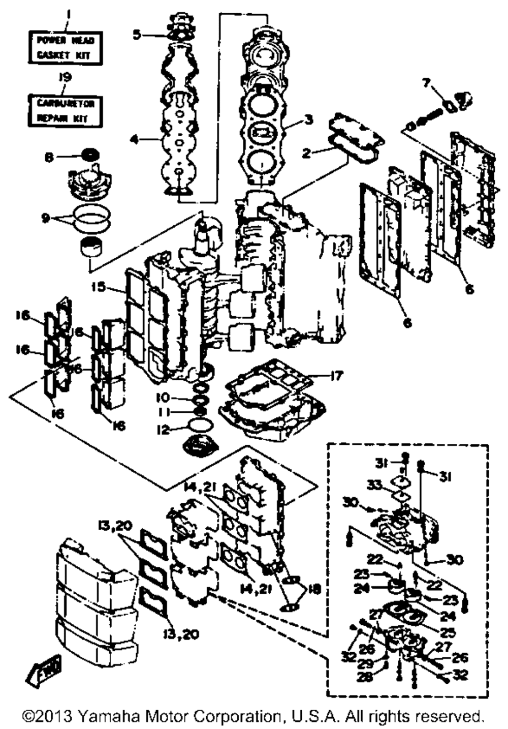
| 1 | POWER HEAD GSK.KIT | 1 | |
| 2 | GASKET 1 | 1 | |
| 3 | GASKET CYLINDER HEA | 2 | |
| 4 | GASKET HEAD COVER 1 | 2 | |
| 5 | GASKETCOVER | 2 | |
| 6 | GASKET EXHAUST | 2 | |
| 7 | GASKET 2 | 1 | |
| 8 | OIL SEALSD-TYPE | 1 | |
| 9 | . .O-RING | 2 | |
| 10 | OIL SEALSD-TYPE | 1 | |
| 11 | OIL SEALS-TYPE | 1 | |
| 12 | O-RING | 1 | |
| 13 | GASKET | 3 | |
| 14 | GASKET | 3 | |
| 15 | GASKET MANIFOLD 1 | 1 | |
| 16 | GASKETVALVE SEAT | 6 | |
| 17 | GASKET UPPER CASING | 1 | |
| 18 | GASKETFUEL PUMP 1 | 2 | |
| 19 | CARB. REPAIR KIT | 1 | |
| 22 | VALVEFLOAT | 6 | |
| 23 | PIN FLOAT | 6 | |
| 24 | FLOAT | 6 | |
| 25 | GASKETFLOAT CHMBR | 3 | |
| 26 | O-RING | 6 | |
| 27 | GASKET | 6 | |
| 28 | . . ELECTRONIC SIREN ASS'Y | 3 | |
| 29 | WASHERSPRING (5 per pack) | 3 | |
| 30 | SCREWAIR ADJ | 6 | |
| 31 | GASKETSTARTER | 6 | |
| 32 | GASKET (5 per pack) | 6 | |
| 33 | GASKET | 3 |
