Оригинальные каталоги
Масла и жидкости
Масла моторные
Масла трансмиссионные
Жидкости гидравлические
Жидкости охлаждающие
Жидкости тормозные
Масла гидравлические
Масла для вилок и амортизаторов
Масла компрессорные
Жидкости для стекол
Масла для цепей бензопил
Масла индустриальные
Масла промывочные
Раствор мочевины AdBlue
Автоэлектроника
Видеорегистраторы
Пылесосы автомобильные
FM трансмиттеры
Зарядные устройства
Разветвители, удлинители прикуривателя
Кабели
Вентиляторы автомобильные
Штекер прикуривателя
Датчик парктроника
Камеры заднего вида
Мониторы парковочные
Парктроники
Термометры
Накидки на сиденье с подогревом
Автохолодильники
Антирадары
Диагностический сканер
Аксессуары
Набор автомобилиста
Ароматизаторы
Тросы буксировочные
Канистры
Ремни крепления груза
Стяжки-резинки крепления
Сетки для крепления груза
Скотч
Влажные салфетки
Держатели телефонов, планшетов
Карты памяти
Наушники
Аккумулятор холода
Термосумки и контейнеры
Фонарики
Батарейки
Оплетки на руль
Огнетушители
Салфетки, полотенца, варежки
Инструмент
Домкраты
Компрессоры
Манометры
Насосы
Светильники переносные
Шарнирно-губцевый инструмент
Ударный инструмент
Метчики. Плашки
Заклёпочники
Заклёпки
Измерительный инструмент
Свёрла
Отвёртки
Изолента
Надфили. Напильники
Ножи, ножовки
Щётки
Абразивная бумага
Специнструмент
Ключи
Хомуты
Дрель-шуруповерт
Автохимия
Присадки
Промывки
Очистители
Смазки спрей
Смазки пластичные
Герметики
Средство для рук
Клей
Лакокрасочные материалы
Автошампуни
Полироли
Антифриз для тормозной системы
Масло для пропитки фильтров
Антикоррозионные составы
Прочее
Электрооборудование
Зарядные устройства
Инверторы
Конвертеры
Звуковые сигналы
Провода прикуривания
Предохранители
Противотуманные фары
Дневные ходовые огни
Электрика фаркопа
Шины и диски
Автошины
Грузовые шины
Мотошины
Камеры
Мотокамеры
Лента обода шины
Колпаки
Диски
Одежда и экипировка
Жилеты
Запчасти
Аккумуляторы
Лампы
Щетки стеклоочистителя
Гофры глушителя
Велотовары
Велосипеды
Самокаты
Велокамеры
Искать по VIN или номеру детали
Поиск по штрих-коду
Искать по VIN-номеру
Войти
Авторизация
Логин
Пароль
Напомнить пароль
Запомнить
Войти
Зарегистрироваться
Авторизоваться другим способом
Востановить пароль
Введите ваш email:
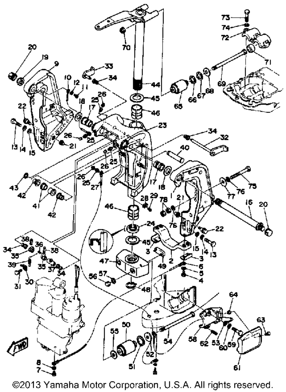
BRACKET 1
Корзина пуста
Yamaha
225TLRP/225TXRP
225TLRP/225TXRP
BRACKET 1
№
Наименование
Примечание
Кол-во
1
BRACKETCLAMP
1
2
ANODE
1
3
PLATE
2
4
BOLT
4
5
WASHER (5 per pack)
4
6
WIRELEAD 4
1
7
BOLT
1
8
WASHER (5 per pack)
1
9
BRACKET CLAMP
1
11
SCREWPAN HEAD
1
13
BOLT
6
14
WASHERSPRING (5 per pack)
6
15
WASHER (5 per pack)
6
16
BOLTCLAMP BRACKET
1
17
BUSHSPEC'L NYLON
2
18
WASHERPLATE
2
19
NUT SELF-LOCKING
1
20
CAP CLAMP BRACKET
2
21
ROD TILT LOCK
2
22
BOLT
2
23
BRACKETSWIVEL 1 UR LONG
1
23
BRACKETSWIVEL 1 UR ULTRA LONG
1
24
OIL SEALSDO-TYPE
1
25
NIPPLEGREASE
5
26
CAPGREASE NIPPLE
5
27
WIRELEAD 4 X (25.3")
1
27
WIRE LEAD 5
1
28
CLAMP
1
29
SCREWPAN HEAD
1
30
HOOK SPRING
1
32
LEVER TILT STOP 1
1
33
LEVERTILT STOP 2
1
34
BUSHSPEC'L NYLON (5 per pack)
4
35
COLLAR DISTANCE
2
36
PINSPEC'L SHAPE
1
37
COLLAR
1
38
PINSPRING
2
39
SPRINGTENSION
1
40
PIN UPPER SHOCK MOUNT
1
41
BUSHSPEC'L NYLON
2
42
BUSHSPEC'L NYLON
2
43
CIRCLIP
1
44
STEERING BRACKET UR ULTRA LONG
1
44
STEERING BRACKET UR LONG
1
45
WASHERPLATE
2
46
BUSH
2
47
HOUSINGLOWER MOUN
1
48
CIRCLIPS-TYPE
1
49
DAMPER LOWER MOUNT RUBBER
1
50
MOUNT DAMPER LOWER
2
51
WASHERPLATE
2
52
WASHERPLATE
2
53
WIRE LEAD 3
1
54
BOLT
2
55
WASHER PLATE
2
56
NUT
2
57
WASHER
2
58
HOUSING LOWER MOUNT
2
59
BOLT
4
61
COVER LWR MOUNT
2
62
SPRINGCOMPRESSION
4
63
SCREWPAN HEAD
2
64
NUTSPEC'L SHAPE
2
65
MOUNT DAMPER UPPER
2
66
WASHERPLATE
2
67
WASHERPLATE
2
68
WASHERPLATE
2
69
BOLT
2
70
NUTSELF-LOCKING
2
71
DAMPERLWR.MT.RUBB
2
72
COVER UPPER MOUNT
1
75
BOLT (L:115 MM) (L:115MM)
4
75
BOLT (L:130MM) (L:130MM) UR
4
76
WASHERPLATE
8
77
WASHERPLATE
4
78
NUT
8