| № | Наименование | Примечание | Кол-во |
|---|---|---|---|
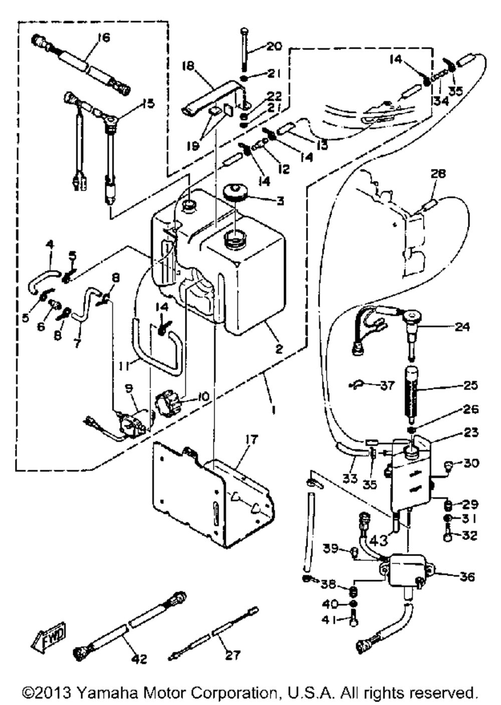
| 1 | OIL TANK ASSY | 1 | |
| 2 | SUB TANK OIL (10.5L (10.5L) | 1 | |
| 3 | CAP ASSYOIL TANK | 1 | |
| 4 | PIPE | 1 | |
| 5 | CLAMP | 2 | |
| 6 | STRAINER 1 | 1 | |
| 7 | PIPEOIL | 1 | |
| 9 | MOTOR PUMP ASSY | 1 | |
| 10 | GROMMET | 1 | |
| 11 | PIPE 10 | 1 | |
| 12 | PIPE JOINT 4 | 1 | |
| 13 | HOSE (L3000) | 1 | |
| 15 | OIL LVL GAUGE ASY | 1 | |
| 16 | EXTHRNS O TANK (6E5-85721-01-00) UR LONG | 1 | |
| 17 | HLDROIL SUB TANK AP | 1 | |
| 18 | BRACKETDAMPER AP | 1 | |
| 19 | DAMPER AP | 2 | |
| 20 | BOLT (91201-06100) | 1 | |
| 21 | WASHER (5 per pack) | 2 | |
| 22 | NUT (5 per pack) | 1 | |
| 23 | OIL TANK ASSY (6E5-21750-03-00) | 1 | |
| 24 | OIL LEVEL GAUGE ASSY | 1 | |
| 25 | STRAINEROIL | 1 | |
| 26 | GASKETSTRNR COVER (5 per pack) | 1 | |
| 27 | LEAD WIRE ASY | 1 | |
| 28 | HOSE (L380) | 1 | |
| 29 | DAMPERIGN COIL | 3 | |
| 30 | COLLAR | 3 | |
| 31 | WASHER PLATE | 3 | |
| 32 | BOLT | 3 | |
| 33 | PIPE 12 | 1 | |
| 34 | JOINT | 1 | |
| 36 | CONTROL UNIT KIT | 1 | |
| 37 | CLAMP | 1 | |
| 42 | WIRELEAD | 1 | |
| 43 | TUBE V4/V6 OILTANK | 1 |
