| № | Наименование | Примечание | Кол-во |
|---|---|---|---|
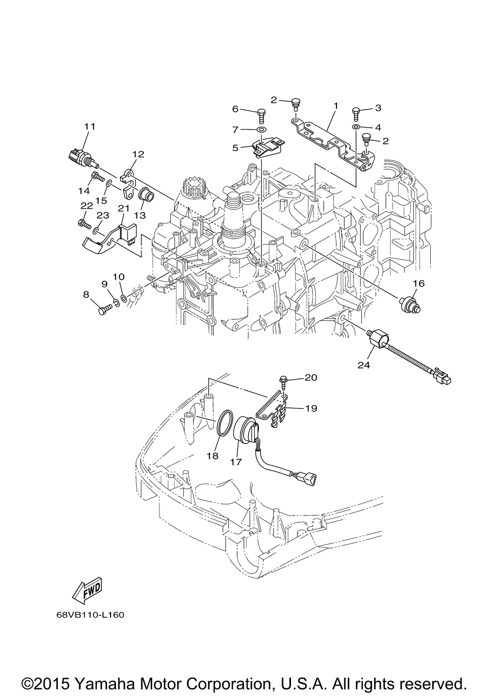
| 1 | PLATE | 1 | |
| 2 | GROMMET | 2 | |
| 3 | BOLT (GA1) (5 per pack) | 2 | |
| 4 | WASHER (5 per pack) | 2 | |
| 5 | PLATE | 1 | |
| 6 | BOLT | 1 | |
| 9 | WASHER (5 per pack) | 1 | |
| 11 | THERMOSENSOR ASSY | 1 | |
| 12 | RETAINER | 1 | |
| 13 | GASKET SENDER UNI | 1 | |
| 16 | OIL PRESSURE SWITCH | 1 | |
| 17 | TRIM & TILT SWITCH A | 1 | |
| 18 | GASKET | 1 | |
| 19 | BRACKET | 1 | |
| 20 | BOLT | 2 | |
| 21 | PLATE HOLDER | 1 | |
| 24 | SENSOR KNOCK | 1 |
