| № | Наименование | Примечание | Кол-во |
|---|---|---|---|
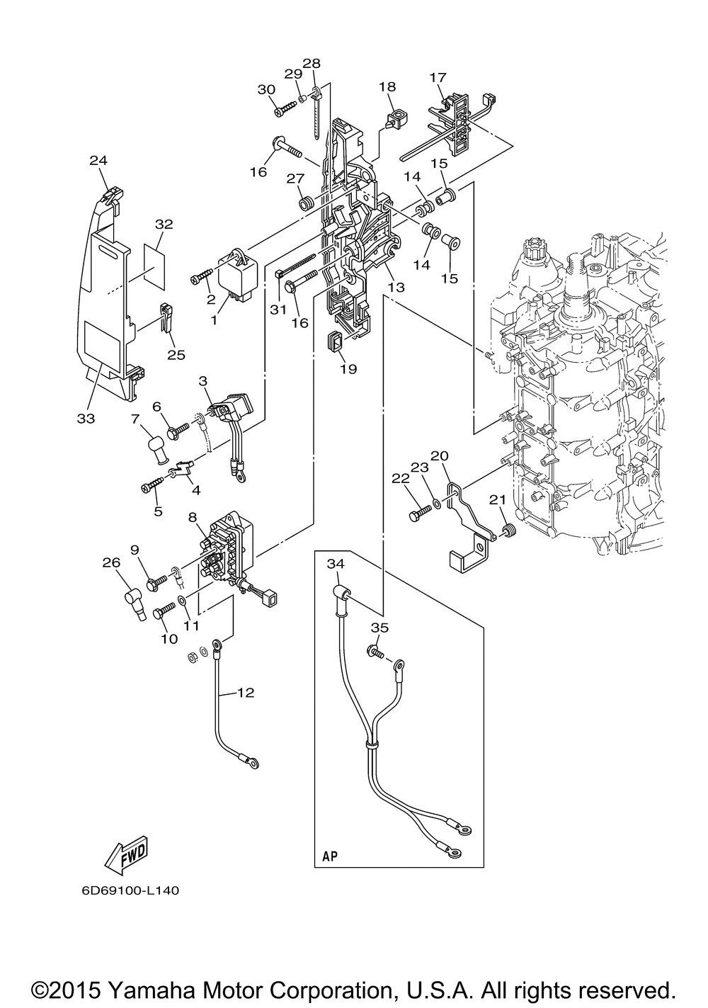
| 1 | RELAY ASSY | 1 | |
| 2 | SCREWTAPPING (5 per pack) | 1 | |
| 3 | RELAY | 1 | |
| 4 | STAY RELAY | 1 | |
| 5 | SCREWTAPPING | 1 | |
| 6 | BOLT WITH WASHER | 2 | |
| 7 | COVER LEAD WIRE | 2 | |
| 8 | RELAY ASSY | 1 | |
| 10 | BOLT (661) | 2 | |
| 11 | WASHER (5 per pack) | 2 | |
| 12 | WIRELEAD | 1 | |
| 13 | BRACKET | 1 | |
| 14 | DAMPERIGN COIL | 5 | |
| 15 | COLLAR | 5 | |
| 16 | BOLTWITH WASHER | 5 | |
| 17 | CLAMP | 1 | |
| 18 | CLAMP | 1 | |
| 19 | GROMMET | 1 | |
| 20 | CLAMP 1 | 1 | |
| 21 | GROMMET | 1 | |
| 22 | BOLT | 1 | |
| 23 | WASHER (5 per pack) | 1 | |
| 24 | COVER | 1 | |
| 25 | PULLER FUSE | 1 | |
| 26 | COVERLEAD WIRE | 2 | |
| 28 | CLAMP (62E) | 1 | |
| 29 | COLLAR | 1 | |
| 31 | CLAMP (5 per pack) | 2 | |
| 32 | GRAPHIC REGULATOR | 1 | |
| 33 | GRAPHIC REGULATOR | 1 | |
| 34 | BATTERY CABLE | 1 | |
| 35 | BOLTWASHER BASED AP | 1 |
