| № | Наименование | Примечание | Кол-во |
|---|---|---|---|
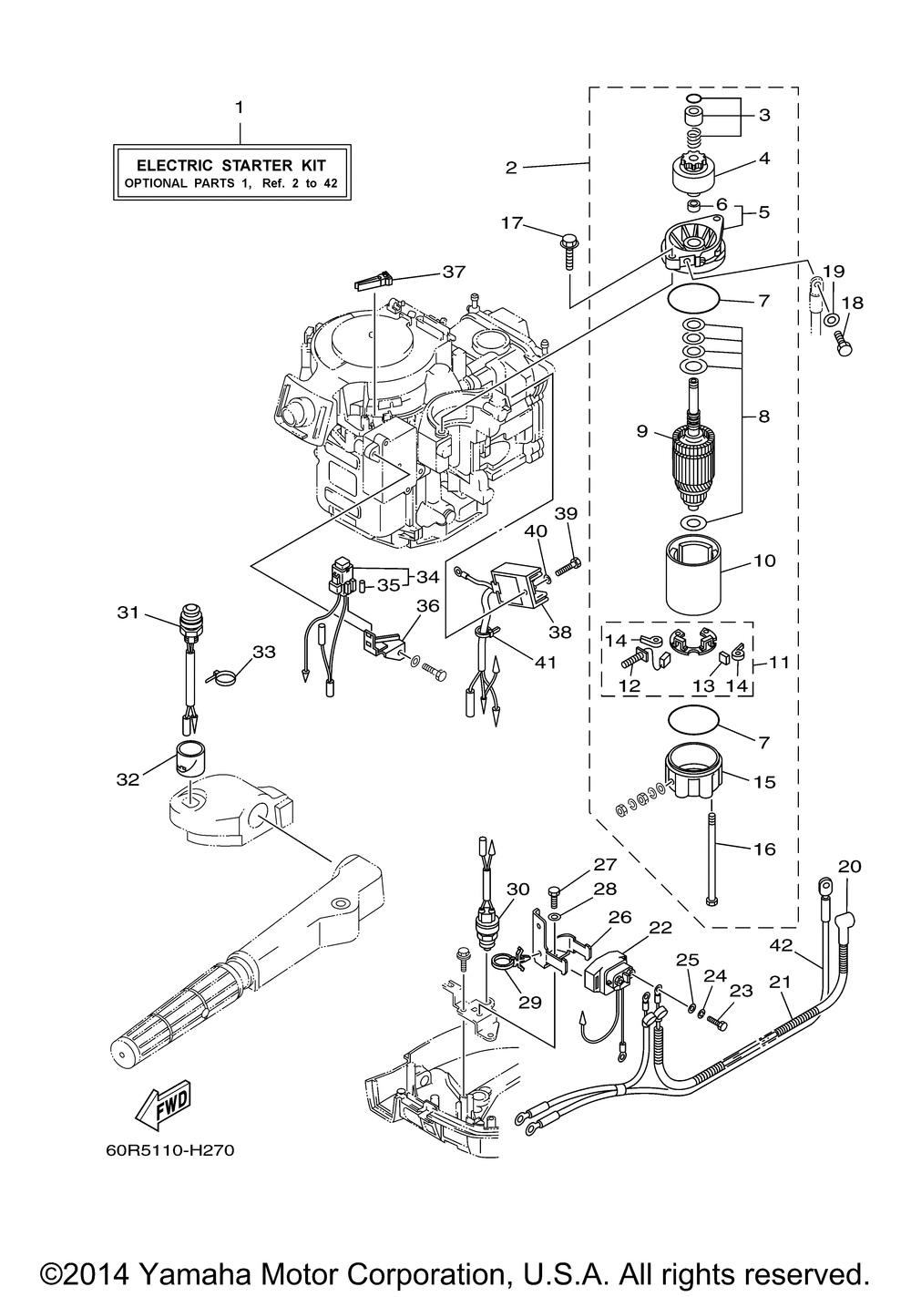
| 1 | ELECTRIC STARTER KIT AP F8 | 1 | |
| 2 | STARTING MOTOR ASSY | 1 | |
| 3 | . .PINION STOPPER SET | 1 | |
| 4 | . .GEAR ASSY STARTING MOTOR | 1 | |
| 5 | . .FRONT BRACKET ASSY | 1 | |
| 6 | . . ..METAL FRONT | 1 | |
| 7 | . .O-RING | 2 | |
| 8 | . .WASHER KIT | 1 | |
| 9 | . .ARMATURE ASSY | 1 | |
| 10 | . .STATOR ASSY | 1 | |
| 11 | . .BRUSH HOLDER ASSY | 1 | |
| 12 | . . ..BRUSH 1 | 1 | |
| 13 | . . ..BRUSH 2 | 1 | |
| 14 | . . ..SPRING BRUSH | 2 | |
| 15 | . .REAR BRACKET ASSY | 1 | |
| 16 | . .BOLT | 2 | |
| 17 | BOLT WITH WASHER | 2 | |
| 18 | BOLT | 1 | |
| 19 | WASHER (5 per pack) | 1 | |
| 20 | WIRE LEAD | 1 | |
| 21 | HOSE (L140) | 1 | |
| 22 | STARTER RELAY ASSY | 1 | |
| 23 | BOLT | 2 | |
| 24 | WASHER (5 per pack) | 2 | |
| 25 | WASHER (5 per pack) | 2 | |
| 26 | PLATE SWITCH FITTING | 1 | |
| 27 | BOLT | 1 | |
| 29 | CLAMP (62T) | 1 | |
| 30 | NEUTRAL SWITCH ASSY | 1 | |
| 31 | STARTING SWITCH ASSY | 1 | |
| 32 | COVER SWITCH | 1 | |
| 33 | CLAMP | 1 | |
| 34 | FUSE HOLDER ASSY | 1 | |
| 35 | FUSE (10A) (10A-BL) | 2 | |
| 36 | STAY FUSE BOX | 1 | |
| 37 | PULLER FUSE | 1 | |
| 38 | RECTIFIER & REGULATOR ASSY | 1 | |
| 42 | BATTERY CABLE (L: 2.1M) | 1 |
