| № | Наименование | Примечание | Кол-во |
|---|---|---|---|
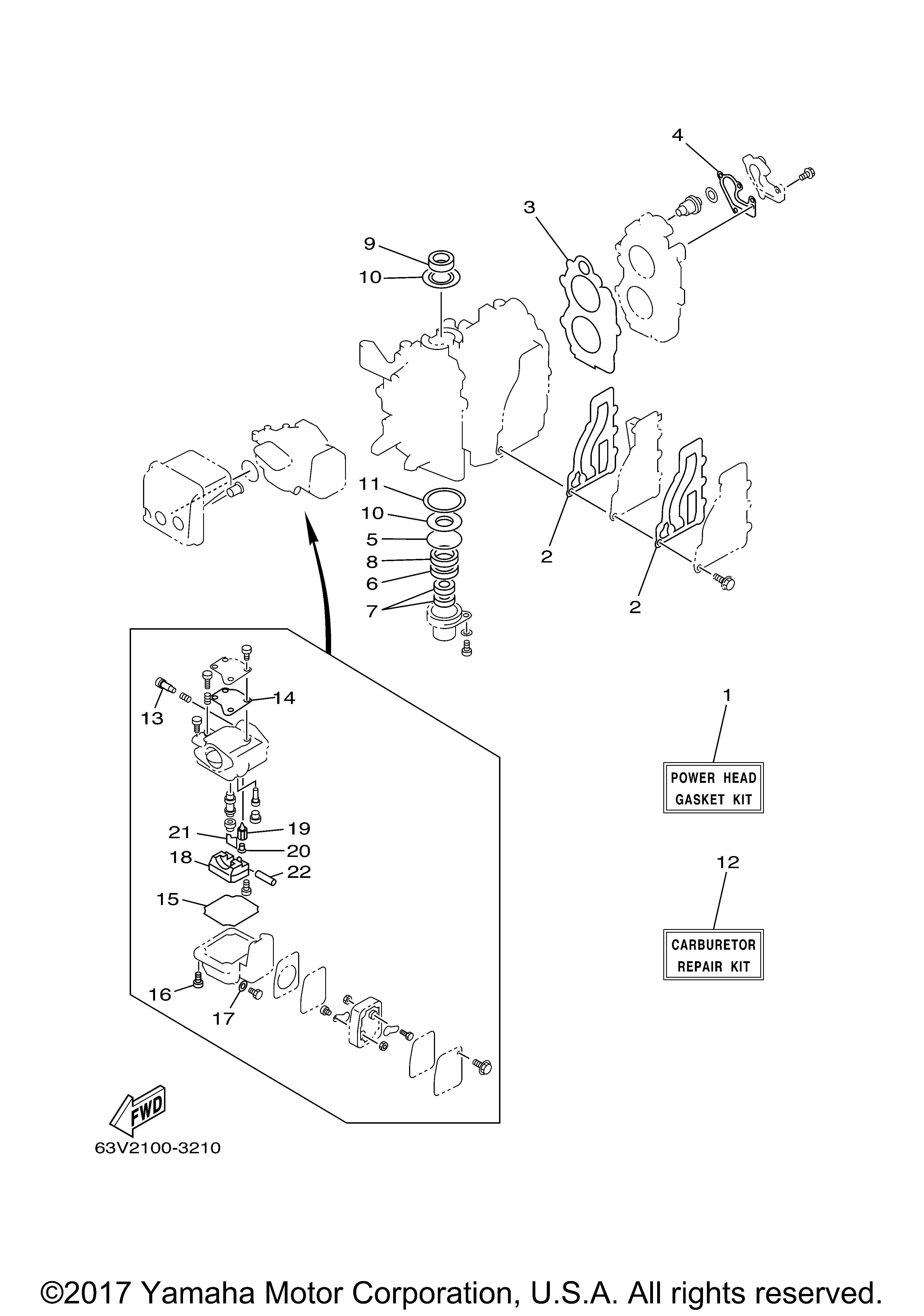
| 1 | POWER HEAD GASKET KIT | 1 | |
| 2 | . .GASKET EXHAUST INNER COVER | 2 | |
| 3 | . .GASKET CYLINDER HEAD 1 | 1 | |
| 4 | . .GASKET COVER | 1 | |
| 5 | O-RING | 1 | |
| 6 | .OIL SEAL | 1 | |
| 7 | .OIL SEAL | 2 | |
| 8 | .OIL SEAL | 1 | |
| 9 | .OIL SEAL | 1 | |
| 10 | .SPACER | 2 | |
| 11 | .WASHER PLATE | 1 | |
| 12 | CARBURETOR REPAIR KIT | 1 | |
| 13 | . SCREW PILOT | 1 | |
| 14 | . .GASKET | 1 | |
| 15 | . .GASKET FLOAT CHAMBER | 1 | |
| 16 | SCREWW/WASHER | 4 | |
| 17 | . .GASKET | 1 | |
| 18 | . .FLOAT | 1 | |
| 19 | VALVE NEEDLE | 1 | |
| 20 | PINFLOAT | 1 | |
| 21 | CLIP | 1 | |
| 22 | . .PIN FLOAT ARM | 1 |
