| № | Наименование | Примечание | Кол-во |
|---|---|---|---|
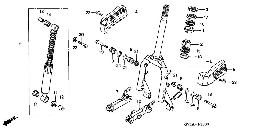
| 001 | RACE STEERING BALL | 0 | |
| 001 | RACE, STEERING BALL (UPPER) | 1 | |
| 002 | RACE STEERING BALL | 1 | |
| 003 | NUT | 0 | |
| 004 | COVER R. PIVOT ARM | 1 | |
| 005 | COVER L. PIVOT ARM | 1 | |
| 006 | FORK SET FR. *NH1* (BLACK) | 0 | |
| 007 | ARM R. FR. *NH1* (BLACK) | 0 | |
| 008 | BUSH PIVOT ARM | 4 | |
| 009 | FORK ASSY. FR. | 2 | |
| 010 | ARM L. FR. *NH1* (BLACK) | 0 | |
| 011 | BUSH FR. FORK | 4 | |
| 012 | COLLAR RUBBER BUSH | 2 | |
| 013 | COLLAR | 0 | |
| 014 | RUBBER A, JOINT | 2 | |
| 015 | BALL STEERING STEEL | 1 | |
| 016 | BALL ASSY., STEERING STEEL | 1 | |
| 017 | RACE, STEERING TOP CONE | 1 | |
| 018 | RACE STEERING CONE | 0 | |
| 019 | BOLT FLANGE (8X48) | 2 | |
| 020 | BOLT HEX. (8X32) | 2 | |
| 021 | NUT FLG (M8X1.25) | 2 | |
| 022 | WASHER, SPECIAL (8MM) | 2 | |
| 023 | BOLT, FLANGE (5X9) | 2 | |
| 024 | O-RING (16.8X1.9) | 4 | |
| 024 | O-RING (16.8X1.9) | 4 |
