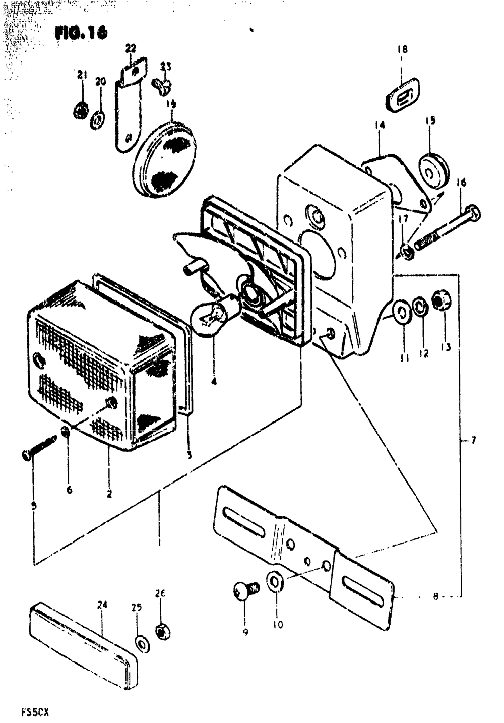
| № | Наименование | Примечание | Кол-во |
|---|---|---|---|
| 1 | Деталь | 1 | |
| 2 | LENS REAR COMB | 1 | |
| 3 | GASKET RR COMB | 1 | |
| 4 | TAIL LIGHT BULB | 1 | |
| 5 | SCREW | 2 | |
| 6 | LENS SCREW GASK | 2 | |
| 7 | Деталь | 1 | |
| 8 | Деталь | 1 | |
| 9 | SCREW 6X16 | 2 | |
| 10 | WASHER (0010 per pack) | 2 | |
| 11 | WASHER 6.5X18X1 | 2 | |
| 12 | WASHER LOCK (0010 per pack) | 2 | |
| 13 | NUT (0010 per pack) | 2 | |
| 14 | Деталь | 1 | |
| 15 | Деталь | 1 | |
| 16 | Деталь | 2 | |
| 17 | WASHERLOCK | 2 | |
| 18 | Деталь | 1 | |
| 19 | FR REFLECTOR | 2 | |
| 20 | WASHER (0010 per pack) | 2 | |
| 21 | NUT | 2 | |
| 22 | Деталь | 2 | |
| 23 | SCREW 5X8 CROSS | 2 | |
| 24 | REFLEX REFLECTO | 1 |
