| № | Наименование | Примечание | Кол-во |
|---|---|---|---|
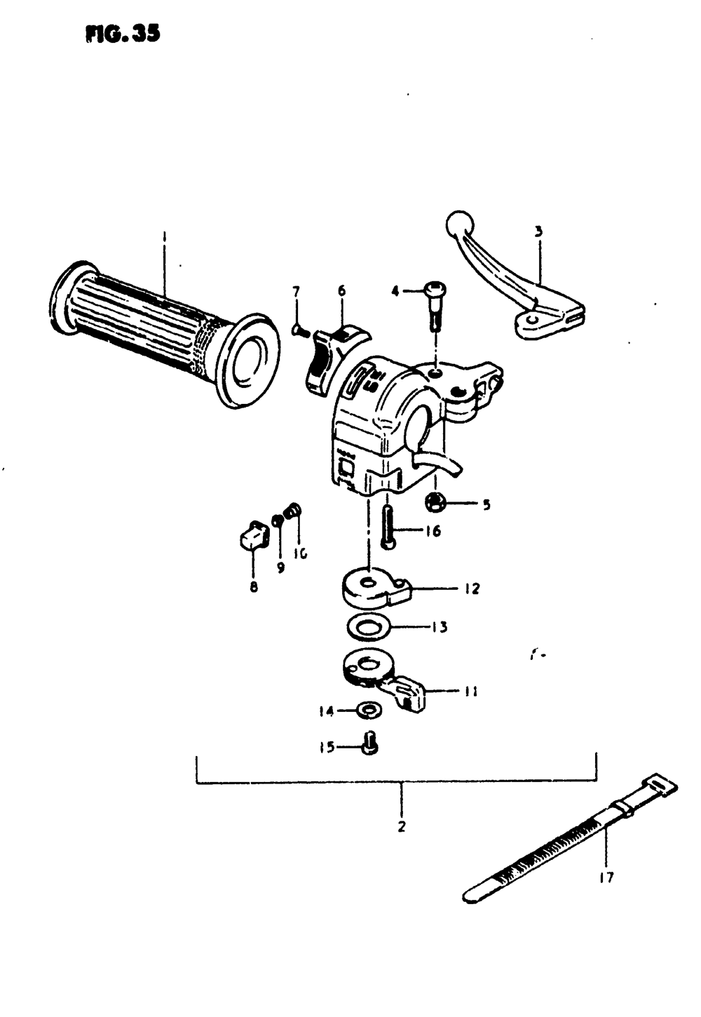
| 1-1 | GRIP LH | 1 | |
| 2-1 | Деталь | 1 | |
| 2-2 | Деталь | 1 | |
| 3 | LEVERCLUTCH | 1 | |
| 4 | BOLT LEVER PIV | 1 | |
| 5 | NUT | 1 | |
| 6 | KNOB DIMMER SWI | 1 | |
| 7 | SCREW | 1 | |
| 8 | BUTTON HORN | 1 | |
| 9 | STARTER CONTACT | 1 | |
| 10 | SPRING | 1 | |
| 11 | LEVER STARTER | 1 | |
| 12 | HOLDER STARTER | 1 | |
| 13 | ADJUSTING WASHE | 1 | |
| 14 | WASHER (0010 per pack) | 1 | |
| 15 | SCREW | 1 | |
| 16 | SCREW | 2 | |
| 17 | MUD GUARD CLAMP | 1 |
