| № | Наименование | Примечание | Кол-во |
|---|---|---|---|
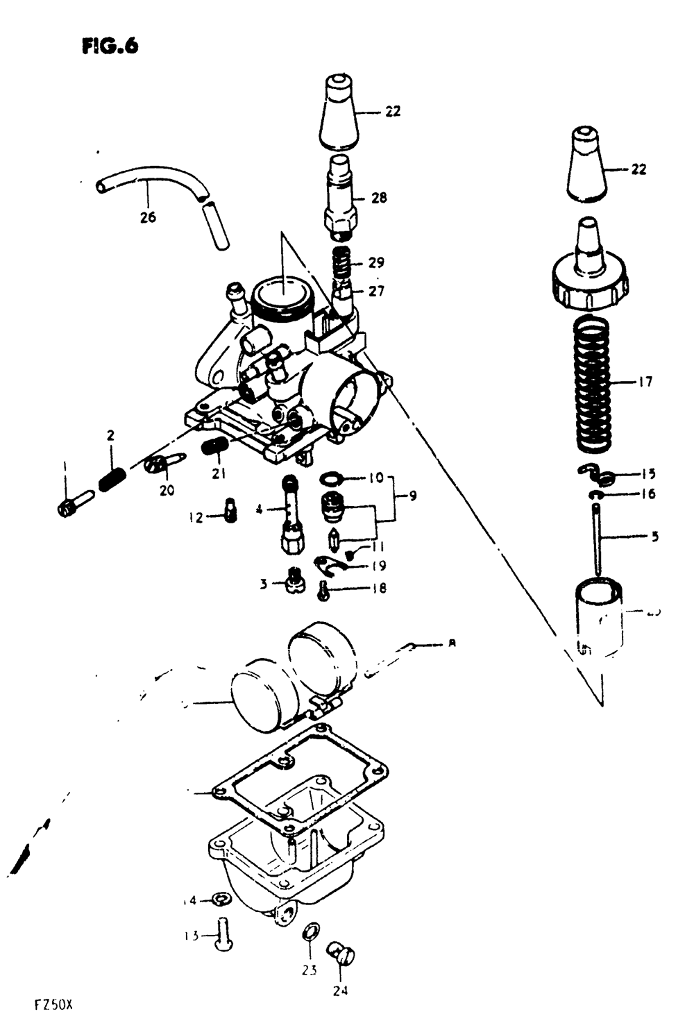
| 0-1 | CARBURETOR ASSY | 1 | |
| 0-2 | CARBURETOR ASSY | 1 | |
| 1 | THROTTLE STOP S | 1 | |
| 2 | STOP SCREW SPRI | 1 | |
| 3 | M/J 57.5 (N1022 | 1 | |
| 4 | JET NEEDLE | 1 | |
| 5 | NEEDLEJET | 1 | |
| 6 | FLOAT | 1 | |
| 7 | GASKET FLOAT CH | 1 | |
| 8 | FLOAT PIN | 1 | |
| 9-1 | VALVE ASSY NEE | 1 | |
| 9-2 | VALVENEEDLE | 1 | |
| 10 | O-RING NEEDLE V | 1 | |
| 11 | CLIPNEEDLE VAL | 1 | |
| 12 | JETPILOT (15) | 1 | |
| 13 | SCREW | 4 | |
| 14 | WASHERLOCK | 4 | |
| 15 | PLATE | 1 | |
| 16 | CLIPNEEDLE | 1 | |
| 17 | Деталь | 1 | |
| 18 | SCREW 3X8 | 1 | |
| 19 | PLATENEEDLE VA | 1 | |
| 20 | PILOT AIR SCREW | 1 | |
| 22 | CABLE ADJUSTER | 2 | |
| 23 | DRAIN PLUG GASK | 1 | |
| 24 | DRAIN PLUG | 1 | |
| 25 | Деталь | 1 | |
| 26 | HOSE4.5 X 8.5 (MODEL EMODEL F/G) | 1 | |
| 27 | STARTER PLUNGER | 1 | |
| 28 | Деталь | 1 | |
| 29 | PLUNGER SPRING | 1 |
