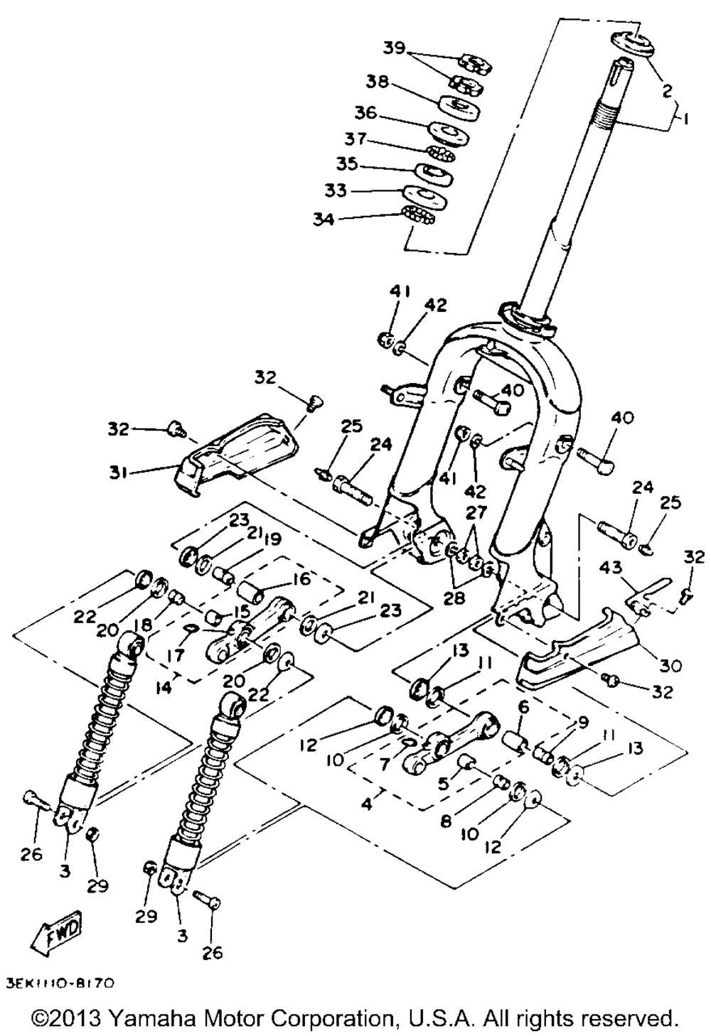
| № | Наименование | Примечание | Кол-во |
|---|---|---|---|
| 1 | FORK COVER | 1 | |
| 2 | RACEBALL 1 | 1 | |
| 3 | SHOCK ABSORBER ASY | 2 | |
| 4 | ARM 1 | 1 | |
| 5 | BUSH 1 | 1 | |
| 6 | BUSH 2 | 1 | |
| 7 | NIPPLEGREASE | 1 | |
| 8 | COLLAR 1 | 1 | |
| 9 | COLLAR 2 | 1 | |
| 10 | SEALDUST 1 | 2 | |
| 11 | SEALDUST 2 | 2 | |
| 12 | COVERDUST SEAL 1 | 2 | |
| 13 | COVER DUST SEAL 2 | 2 | |
| 14 | ARM 2 | 1 | |
| 24 | BOLTUNION | 2 | |
| 25 | NIPPLEGREASE | 2 | |
| 26 | SCREWFLAT FLSTR | 2 | |
| 27 | NUT | 2 | |
| 28 | WASHERSPRING (5 per pack) | 2 | |
| 29 | NUT | 2 | |
| 30 | CAPSIDE 1 | 1 | |
| 31 | CAPSIDE 2 | 1 | |
| 32 | SCREW (5 per pack) | 4 | |
| 33 | RACEBALL 2 | 1 | |
| 34 | BALL 1/4 (5 per pack) | 19 | |
| 35 | RACEBALL 2 | 1 | |
| 36 | RACEBALL 1 (122-23411-00) | 1 | |
| 37 | BALL 3/16 (5 per pack) | 22 | |
| 38 | COVERBALL RACE 2 | 1 | |
| 39 | NUT | 2 | |
| 40 | BOLT | 2 | |
| 42 | WASHERSPRING | 2 | |
| 43 | HOLDERCABLE | 1 |
