| № | Наименование | Примечание | Кол-во |
|---|---|---|---|
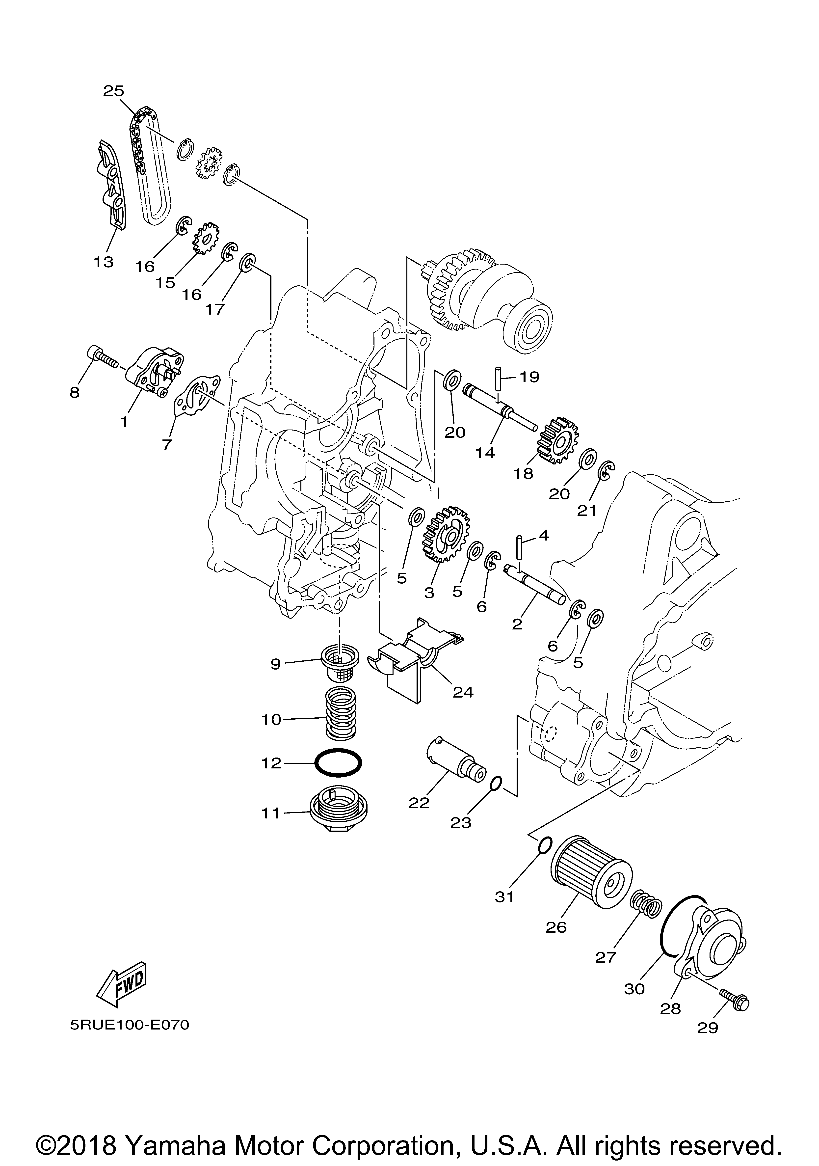
| 1 | OIL PUMP ASSY | 1 | |
| 2 | SHAFT DRIVEN GEAR | 1 | |
| 3 | GEAR PUMP DRIVEN | 1 | |
| 4 | PINDOWEL (4ESA) (5 per pack) | 1 | |
| 5 | WASHERPLATE | 3 | |
| 6 | CIRCLIP (5 per pack) | 2 | |
| 7 | GASKET | 1 | |
| 8 | BOLT (4MY) | 2 | |
| 9 | STRAINEROIL | 1 | |
| 10 | SPRINGCOMPRESSION | 1 | |
| 11 | PLUG DRAIN | 1 | |
| 12 | O-RING | 1 | |
| 13 | DAMPER | 1 | |
| 14 | SHAFT IDLE GEAR | 1 | |
| 15 | SPROCKET DRIVEN | 1 | |
| 17 | WASHERPLATE | 1 | |
| 18 | GEAR OIL PUMP IDLE | 1 | |
| 21 | CIRCLIP | 1 | |
| 22 | RELIEF VALVE ASSY | 1 | |
| 23 | O-RING (5 per pack) | 1 | |
| 24 | COVER PUMP GEAR | 1 | |
| 25 | CHAIN (DID25 50LE) | 1 | |
| 26 | Фильтр масляный | 1 | |
| 27 | SPRINGCOMPRESSION (5 per pack) | 1 | |
| 28 | COVER OIL ELEMENT | 1 | |
| 29 | BOLTFLANGE(6U1) | 3 | |
| 30 | O-RING | 1 | |
| 31 | O-RING | 1 |
