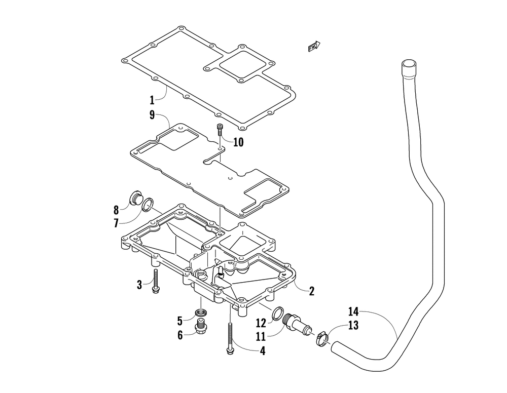
OIL PAN ASSEMBLY

Корзина пуста