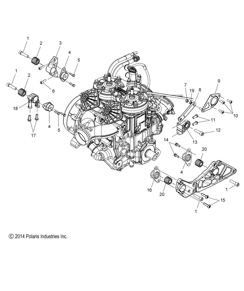
| № | Наименование | Примечание | Кол-во |
|---|---|---|---|
| K-LONG BLOCK 600 AXYS | 1 | ||
| 1 | SCR-SH-M10X1.5X50 12.9 ZFK NYL | 4 | |
| 2 | MOUNT-ENGINE INSERT RAD MAG | 2 | |
| 3 | MOUNT-ENGINE REAR MAG MACH | 1 | |
| 4 | MOUNT-ENGINE | 3 | |
| 5 | SCREW | 4 | |
| 6 | SCR-M8X1.25X25 8.8 SH ZOD P30 | 2 | |
| 7 | NUT-M8X1.25FLGNYLOC-OLIVE D | 1 | |
| 8 | ASM-TORQUE LINK FIXED | 1 | |
| 9 | ASM-BEARING FLANGE JACKSHAFT | 1 | |
| 10 | SCR-TXTH-M8X1.25X15 8.8 ZODP30 | 3 | |
| 11 | SCR-HXBH-M8X1.25X20 TX W/PATCH | 2 | |
| 12 | SCR-SH-M10X1.5X25 ZOD | 1 | |
| 13 | LIMITER-TORQUE ENGINE | 1 | |
| 14 | SCREW | 2 | |
| 15 | SCR-TXTH M8X1.25X35 8.8ZOD P80 | 2 | |
| 16 | MOUNT-ENGINEPTO FRONT | 1 | |
| 17 | SCR-TXTH-M8X1.25X25 8.8 ZODP30 | 2 | |
| 18 | MOUNT-ENGINE FRT BASE MACH | 1 | |
| 19 | WASHER-.315/.325X.88X.075FL-Y | 1 | |
| 20 | MOUNT-ENGINE INSERT RAD PTO | 2 |
