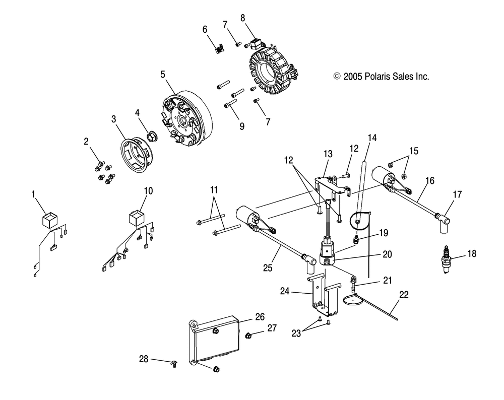
| № | Наименование | Примечание | Кол-во |
|---|---|---|---|
| 1 | HARNESS-IGN ENGINE KOK 4 INJ | 1 | |
| 2 | SCREW | 6 | |
| 3 | PULLEY-STARTERRECOILLW | 1 | |
| 4 | NUT-FLANGEM14X1.50 -D | 1 | |
| 5 | FLYWHEEL-KOKV7CRIMPED | 1 | |
| 7 | SCR-M5X0.8X10 SOC/CP-D | 4 | |
| 8 | STATOR-KOK 866 | 1 | |
| 9 | SCR-M6X1.0X35 SOC/CP-Y/D | 3 | |
| 10 | HARNESS-IGN ENGINE KOK | 1 | |
| 11 | SCR-M6X185MMFLANGE | 2 | |
| 12 | SCREW(10) * (10 per pack) | 3 | |
| 13 | BRKT-ENGINE COIL | 1 | |
| 14 | LINE FUEL1/4 ID(600 CM.) | 0 | |
| 15 | NUT-M6 FLANGENYLOK | 2 | |
| 16 | COIL-IGNITIONPTO | 1 | |
| 17 | CAPSPARK PLUG | 2 | |
| 18 | SP.PLUGCHAMPION RN57Y CC (4) (4 per pack) | 2 | |
| 19 | FITTING-1/4" NPT TO 1/4" BARB | 1 | |
| 20 | SOLENOID-EV N/C 1/4 DIA. | 1 | |
| 21 | FITTING-1/4"NPT TO 1/4"BARB90 | 1 | |
| 22 | CABLE TIE (10) (10 per pack) | 2 | |
| 23 | BOLT-tahos_10-32X3/8PANTORX | 2 | |
| 24 | BRKT-EXHSOLENOID | 1 | |
| 25 | COIL-IGNITIONMAG | 1 | |
| 26 | ENGINE CONTROL UNIT KOK 4-INJ | 1 | |
| 27 | NUTNYLOKFLANGED | 1 | |
| 28 | MOUNT-CABLE TIE.25 | 2 |
