| № | Наименование | Примечание | Кол-во |
|---|---|---|---|
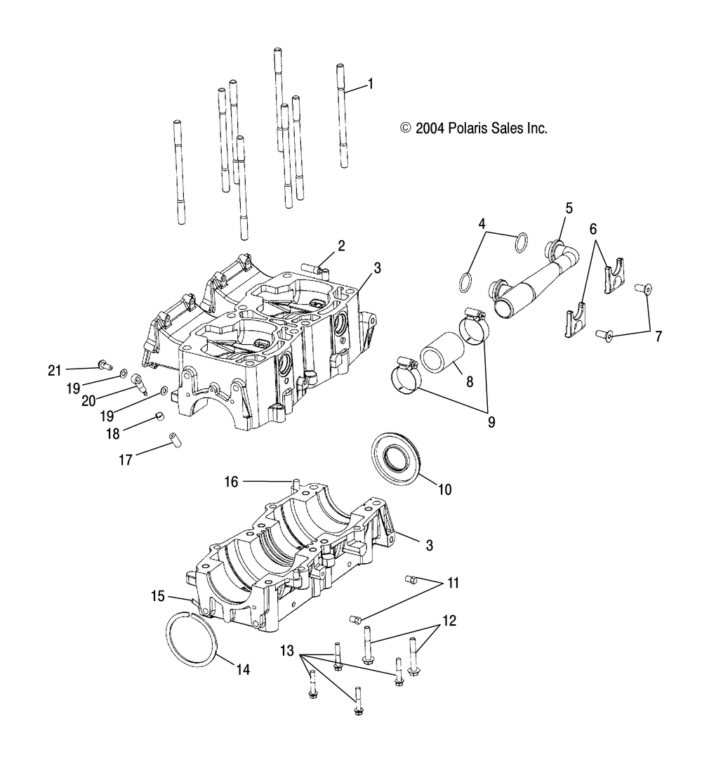
| 1 | STUDCYL.FLANGE152MMSPS | 8 | |
| 2 | VALVECHECK90 DEG. | 1 | |
| 4 | O-RING | 2 | |
| 5 | MANIFOLDWATER INLET | 1 | |
| 6 | RETAINER-INLET WATER MANIFOLD | 2 | |
| 7 | SCREW | 2 | |
| 8 | HOSE | 1 | |
| 9 | CLAMPHOSE S.S. | 2 | |
| 10 | SEALFLANGED | 1 | |
| 11 | PLUG | 2 | |
| 12 | SCREW | 2 | |
| 13 | SCREW(10) (10 per pack) | 4 | |
| 14 | RINGRETAINING | 1 | |
| 16 | PIN DOWEL | 2 | |
| 17 | LINEFUEL3MMX7MM | 0 | |
| 18 | CLAMP | 1 | |
| 19 | WASHERFLAT(10) * (10 per pack) | 2 | |
| 20 | VALVECHECK | 1 | |
| 21 | SCREW | 1 |
